Позвони нам сейчас
Стационарная линия: +86-750-6688281
Телефон: +86-13392072868
Телефон: +86-13302589039
| штат: | |
|---|---|
| Количество: | |
| P Art название | КОНЕЧНАЯ ПЕРЕДАЧА CX460 CX470 | |||||
| Оборудование | Применить к экскаватору корпуса | |||||
| Часть №. | LN00102 | |||||
| Кадрские отверстия | 24 | |||||
| Порывы звезд | 30 | |||||
| Условие предмета | Новый | |||||
| Логотип | ФУНТ | |||||
| Вес брутто | 938 кг | |||||
| Могил | 1 шт | |||||





| Поступок | ЧАСТЬ НЕТ | QUTY | Имя детали | Комментарии |
|---|---|---|---|---|
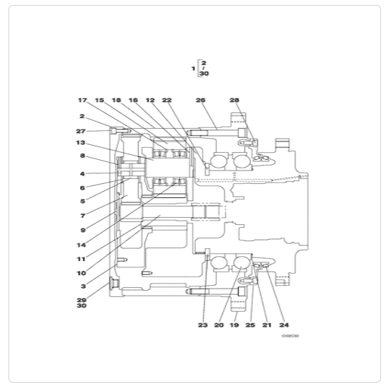
| 1 | LN00102 | [1] | Блок редуктора | СУММА Вкл. 2–30 Заменено номером детали: LN003790. |
| 2 | LW00390 | [1] | КРЫШКА | Сумма |
| 3 | LX00045 | [1] | Шестерня | Sum Gear Carrier |
| 4 | LA00844 | [3] | ПРИКОЛОТЬ | Сумма |
| 5 | LB00789 | [3] | ИГОЛЬЧАТЫЙ ПОДШИПНИК | Сумма |
| 6 | LA00845 | [6] | Шайтика | Сумма |
| 7 | LC00209 | [3] | Планетарное снаряжение | Сумма |
| 8 | 338W060Z036N | [3] | ПРИКОЛОТЬ | SUM Заменено номером детали: 338W060Z036B |
| 9 | LR00857 | [1] | ТАРЕЛКА | Сумма |
| 10 | LC00210 | [1] | Солнечное снаряжение | Сумма |
| 11 | LC00211 | [1] | Солнечное снаряжение | Сумма |
| 12 | LN00103 | [1] | Вал, планетарный автомобиль | Сумма |
| 13 | LA00846 | [3] | ПРИКОЛОТЬ | Сумма |
| 14 | LB011020 | [6] | РОЛИКОВЫЙ ПОДШИПНИК | СУММА Заменяет LB00831 |
| 15 | LC00212 | [3] | Планетарное снаряжение | Сумма |
| 16 | 338W100Z063Z | [3] | Дюбель | SUM Заменено номером детали: 338W100Z063B |
| 17 | 380А1200З | [6] | Защелкнуть кольцо | Сумма |
| 18 | LT00128 | [1] | Жилье | Сумма |
| 19 | LC00213 | [1] | Кольцо | Сумма |
| 20 | LB00832 | [2] | Мяч | Сумма |
| 21 | LH00390 | [1] | НАБОР | Сумма |
| 21 | LH00434 | [1] | ПРОКЛАДКА, толщина 2,0 мм | SUM Если используется. Заменено номером детали: LH00390. |
| 22 | LA00847 | [2] | Замок. Стиральная машина | Сумма |
| 23 | LS00212 | [1] | Держатель | Сумма |
| 24 | LE00993 | [1] | ТЮЛЕНЬ | Сумма |
| 25 | LW00391 | [1] | КРЫШКА | Сумма |
| 26 | 108Р020И120Б | [26] | БОЛТ | Сумма |
| 27 | 863-12030 | [25] | ВИНТ С ШЕСТИГРАННОЙ ГОЛОВКОЙ, M12 x 30 мм, кл. 12,9 | Кассу |
| 28 | 863-10025 | [16] | ВИНТ С ШЕСТИГРАННОЙ ГОЛОВКОЙ, M10 x 25 мм, кл. 12,9 | CAS Заменено номером детали: 86625209. |
| 29 | ЛК00383 | [2] | ЗАТЫКАТЬ | Сумма |
| 30 | 154503А1 | [2] | Упплужденное кольцо | Сумма |
| P Art название | КОНЕЧНАЯ ПЕРЕДАЧА CX460 CX470 | |||||
| Оборудование | Применить к экскаватору корпуса | |||||
| Часть №. | LN00102 | |||||
| Кадрские отверстия | 24 | |||||
| Порывы звезд | 30 | |||||
| Условие предмета | Новый | |||||
| Логотип | ФУНТ | |||||
| Вес брутто | 938 кг | |||||
| Могил | 1 шт | |||||





| Поступок | ЧАСТЬ НЕТ | QUTY | Имя детали | Комментарии |
|---|---|---|---|---|
| 1 | LN00102 | [1] | Блок редуктора | СУММА Вкл. 2–30 Заменено номером детали: LN003790. |
| 2 | LW00390 | [1] | КРЫШКА | Сумма |
| 3 | LX00045 | [1] | Шестерня | Sum Gear Carrier |
| 4 | LA00844 | [3] | ПРИКОЛОТЬ | Сумма |
| 5 | LB00789 | [3] | ИГОЛЬЧАТЫЙ ПОДШИПНИК | Сумма |
| 6 | LA00845 | [6] | Шайтика | Сумма |
| 7 | LC00209 | [3] | Планетарное снаряжение | Сумма |
| 8 | 338W060Z036N | [3] | ПРИКОЛОТЬ | SUM Заменено номером детали: 338W060Z036B |
| 9 | LR00857 | [1] | ТАРЕЛКА | Сумма |
| 10 | LC00210 | [1] | Солнечное снаряжение | Сумма |
| 11 | LC00211 | [1] | Солнечное снаряжение | Сумма |
| 12 | LN00103 | [1] | Вал, планетарный автомобиль | Сумма |
| 13 | LA00846 | [3] | ПРИКОЛОТЬ | Сумма |
| 14 | LB011020 | [6] | РОЛИКОВЫЙ ПОДШИПНИК | СУММА Заменяет LB00831 |
| 15 | LC00212 | [3] | Планетарное снаряжение | Сумма |
| 16 | 338W100Z063Z | [3] | Дюбель | SUM Заменено номером детали: 338W100Z063B |
| 17 | 380А1200З | [6] | Защелкнуть кольцо | Сумма |
| 18 | LT00128 | [1] | Жилье | Сумма |
| 19 | LC00213 | [1] | Кольцо | Сумма |
| 20 | LB00832 | [2] | Мяч | Сумма |
| 21 | LH00390 | [1] | НАБОР | Сумма |
| 21 | LH00434 | [1] | ПРОКЛАДКА, толщина 2,0 мм | SUM Если используется. Заменено номером детали: LH00390. |
| 22 | LA00847 | [2] | Замок. Стиральная машина | Сумма |
| 23 | LS00212 | [1] | Держатель | Сумма |
| 24 | LE00993 | [1] | ТЮЛЕНЬ | Сумма |
| 25 | LW00391 | [1] | КРЫШКА | Сумма |
| 26 | 108Р020И120Б | [26] | БОЛТ | Сумма |
| 27 | 863-12030 | [25] | ВИНТ С ШЕСТИГРАННОЙ ГОЛОВКОЙ, M12 x 30 мм, кл. 12,9 | Кассу |
| 28 | 863-10025 | [16] | ВИНТ С ШЕСТИГРАННОЙ ГОЛОВКОЙ, M10 x 25 мм, кл. 12,9 | CAS Заменено номером детали: 86625209. |
| 29 | ЛК00383 | [2] | ЗАТЫКАТЬ | Сумма |
| 30 | 154503А1 | [2] | Упплужденное кольцо | Сумма |