| штат: | |
|---|---|
| Количество: | |
| P Art название | ZX850 ZX870 EX1200-6 Основной насос | |||||
| Оборудование | Подать заявку на экскаватор Hitachi | |||||
| Часть №. | 4635645 9298854 YA00003076 | |||||
| Кадрские отверстия | - | |||||
| Порывы звезд | - | |||||
| Условие предмета | Новый | |||||
| Логотип | ФУНТ | |||||
| Вес брутто | - | |||||
| Могил | 1 шт | |||||






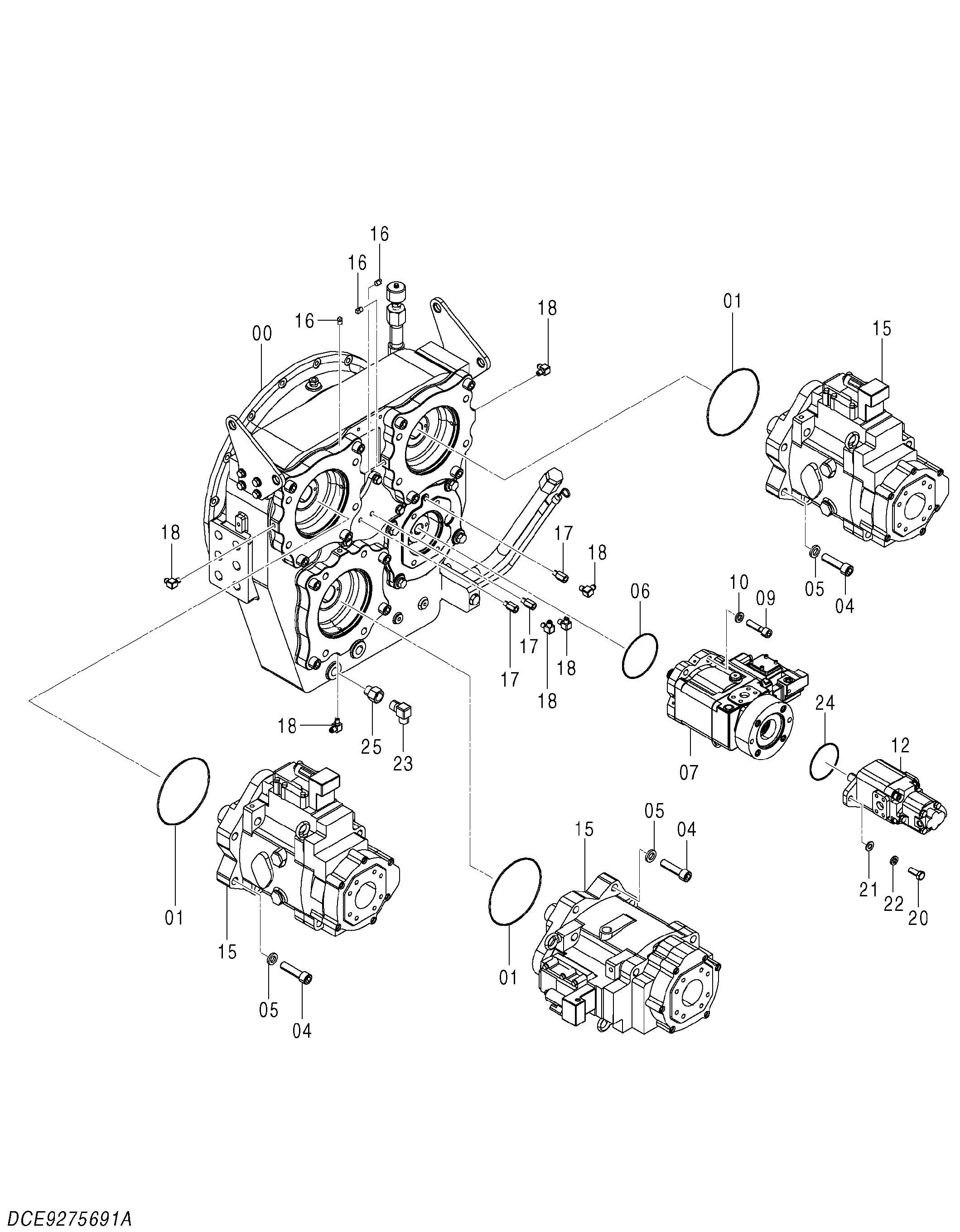
| Поступок | ЧАСТЬ НЕТ | QUTY | Имя детали | Комментарии |
|---|---|---|---|---|
| 9275691 | [1] | Насосное устройство | ||
| 00 | 9272551 | [1] | T.mission (насос) | |
| 01. | 4445928 | [3] | Упплужденное кольцо | |
| 04 | M342080 | [12] | Болт; гнездо | |
| 05 | A590920 | [12] | Шайба; весна | |
| 06 | 4153552 | [1] | Упплужденное кольцо | |
| 07 | 4667614 | [1] | Насос; поршень | |
| 09 | M341665 | [4] | Болт; гнездо | |
| 10 | A590916 | [4] | Шайба; весна | |
| 12 | 4482892 | [1] | Насос; передача | |
| 15 | 4635645 | [3] | Насос; поршень | Я ya00003063 |
| 15 | YA00003063 | [3] | Насос; поршень | Я ya00003076 |
| 15 | YA00003076 | [3] | Насос; поршень | |
| 16 | 94-2022 | [3] | ЗАТЫКАТЬ | |
| 17 | 4085073 | [3] | Адаптер | |
| 18 | 4097666 | [6] | ЛОКОТЬ | |
| 20 | J901435 | [2] | БОЛТ | |
| 21 | A590114 | [2] | Шайба; плоскость | |
| 22 | A590914 | [2] | Шайба; весна | |
| 23 | 94-1404 | [1] | Локоть; s | |
| 24 | 4153547 | [1] | Упплужденное кольцо | |
| 25 | 4317633 | [1] | Адаптер |
我们的终传动产品专为各种重型机械设备设计 , 采用先进的制造工艺 确保了卓越的性能表现。具体技术参数如下 : 齿轮类型为行星齿轮 , 拥有高扭矩输出能力;速比可根据客户需求定制 , 适用于不同工作环境;最大输入转速可达每分钟数千转 , 保证了高效的动力传输;产品重量适中 , 便于安装与维护;紧凑的设计使得它能在有限的空间内发挥出最大的效能。
无论是用于建筑施工的挖掘机 , 还是农田作业的拖拉机 甚至是矿山开采中的装载机 , 我们的终传动都能展现出非凡的实力。它不仅适用于传统燃油驱动的设备 , 同样也能与现代电动机械设备无缝对接 , 满足不同行业对动力系统的需求。
选用高强度合金钢作为核心部件的原材料 , 经过精密锻造及多次热处理工序 使得每个零件都具备极高的强度与韧性。表面处理采用了特殊的防腐蚀技术 , 即使在恶劣环境下也能保持长久的使用寿命。
凭借优秀的机械设计与先进的生产流程 , 本款终传动在效率方面达到了行业领先水平。它不仅能够有效减少能量损耗 还能大幅降低运行过程中的噪音水平 , 为操作人员创造更舒适的工作环境。
随产品附赠详细的安装手册 , 指导用户快速完成组装调试工作。日常维护只需按照推荐周期进行简单检查与润滑即可 极大地节省了后期保养成本。
考虑到市场上主流品牌的多样化需求 , 我们特别针对不同品牌和型号进行了优化设计 确保本款终传动能够与市面上大多数工程机械实现完美匹配。
每一台出厂前都经过严格的质量检测 , 符合 iso 国际质量管理体系标准 并获得了 并获得了 安全认证 安全认证 , 让用户在选购时更加放心。
众多国内外知名企业已经将我们的终传动应用于他们的机械设备中 , 并给予了高度评价。例如 某大型矿企在其挖掘机改造项目中选择了我们的产品后 , 显著提升了工作效率。
| P Art название | ZX850 ZX870 EX1200-6 Основной насос | |||||
| Оборудование | Подать заявку на экскаватор Hitachi | |||||
| Часть №. | 4635645 9298854 YA00003076 | |||||
| Кадрские отверстия | - | |||||
| Порывы звезд | - | |||||
| Условие предмета | Новый | |||||
| Логотип | ФУНТ | |||||
| Вес брутто | - | |||||
| Могил | 1 шт | |||||






| Поступок | ЧАСТЬ НЕТ | QUTY | Имя детали | Комментарии |
|---|---|---|---|---|
| 9275691 | [1] | Насосное устройство | ||
| 00 | 9272551 | [1] | T.mission (насос) | |
| 01. | 4445928 | [3] | Упплужденное кольцо | |
| 04 | M342080 | [12] | Болт; гнездо | |
| 05 | A590920 | [12] | Шайба; весна | |
| 06 | 4153552 | [1] | Упплужденное кольцо | |
| 07 | 4667614 | [1] | Насос; поршень | |
| 09 | M341665 | [4] | Болт; гнездо | |
| 10 | A590916 | [4] | Шайба; весна | |
| 12 | 4482892 | [1] | Насос; передача | |
| 15 | 4635645 | [3] | Насос; поршень | Я ya00003063 |
| 15 | YA00003063 | [3] | Насос; поршень | Я ya00003076 |
| 15 | YA00003076 | [3] | Насос; поршень | |
| 16 | 94-2022 | [3] | ЗАТЫКАТЬ | |
| 17 | 4085073 | [3] | Адаптер | |
| 18 | 4097666 | [6] | ЛОКОТЬ | |
| 20 | J901435 | [2] | БОЛТ | |
| 21 | A590114 | [2] | Шайба; плоскость | |
| 22 | A590914 | [2] | Шайба; весна | |
| 23 | 94-1404 | [1] | Локоть; s | |
| 24 | 4153547 | [1] | Упплужденное кольцо | |
| 25 | 4317633 | [1] | Адаптер |
我们的终传动产品专为各种重型机械设备设计 , 采用先进的制造工艺 确保了卓越的性能表现。具体技术参数如下 : 齿轮类型为行星齿轮 , 拥有高扭矩输出能力;速比可根据客户需求定制 , 适用于不同工作环境;最大输入转速可达每分钟数千转 , 保证了高效的动力传输;产品重量适中 , 便于安装与维护;紧凑的设计使得它能在有限的空间内发挥出最大的效能。
无论是用于建筑施工的挖掘机 , 还是农田作业的拖拉机 甚至是矿山开采中的装载机 , 我们的终传动都能展现出非凡的实力。它不仅适用于传统燃油驱动的设备 , 同样也能与现代电动机械设备无缝对接 , 满足不同行业对动力系统的需求。
选用高强度合金钢作为核心部件的原材料 , 经过精密锻造及多次热处理工序 使得每个零件都具备极高的强度与韧性。表面处理采用了特殊的防腐蚀技术 , 即使在恶劣环境下也能保持长久的使用寿命。
凭借优秀的机械设计与先进的生产流程 , 本款终传动在效率方面达到了行业领先水平。它不仅能够有效减少能量损耗 还能大幅降低运行过程中的噪音水平 , 为操作人员创造更舒适的工作环境。
随产品附赠详细的安装手册 , 指导用户快速完成组装调试工作。日常维护只需按照推荐周期进行简单检查与润滑即可 极大地节省了后期保养成本。
考虑到市场上主流品牌的多样化需求 , 我们特别针对不同品牌和型号进行了优化设计 确保本款终传动能够与市面上大多数工程机械实现完美匹配。
每一台出厂前都经过严格的质量检测 , 符合 iso 国际质量管理体系标准 并获得了 并获得了 安全认证 安全认证 , 让用户在选购时更加放心。
众多国内外知名企业已经将我们的终传动应用于他们的机械设备中 , 并给予了高度评价。例如 某大型矿企在其挖掘机改造项目中选择了我们的产品后 , 显著提升了工作效率。