Позвони нам сейчас
Стационарная линия: +86-750-6688281
Телефон: +86-13392072868
Телефон: +86-13302589039
| штат: | |
|---|---|
| Количество: | |
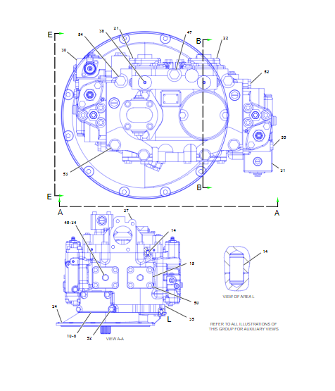
| P Art название | 325D 329D ГЛАВНЫЙ НАСОС | |||||
| Оборудование | Применить к кошачьим экскаватору | |||||
| Часть №. | 272-6959 | |||||
| Кадрские отверстия | / | |||||
| Порывы звезд | / | |||||
| Условие предмета | Новый | |||||
| Логотип | ФУНТ | |||||
| Вес брутто | 560 кг | |||||
| Могил | 1 шт | |||||





| 价格和供货情况价格和供货情况 下拉菜单 | 液压信息 Добавить всю рекомендованную розничную цену 全部 | |||||||
|---|---|---|---|---|---|---|---|---|
| 零件号 | 零件名称 | 数量 必需 | ||||||
| 1 | 4И-1022 | 节流孔 | 2 | 0 | ||||
| 2 | 7Y-4215 | 隔套 | 2 | 0 | ||||
| 3 | 096-3983 Рекомендуемая розничная цена | 挡圈 | 1 | 0 | ||||
| 4 | 096-4389 Рекомендуемая розничная цена | 弹簧 | 18 | 0 | ||||
| 5 | 126-2016 | 齿轮泵总成 (Пилот) J | 1 | 0 | ||||
| 备用件 | ||||||||
| 5А | 9Т-0835 Рекомендуемая розничная цена | 挡圈 | 1 | 0 | ||||
| 6 | 225-4611 | 外壳 | 1 | 0 | ||||
| 7 | 234-4494 Рекомендуемая розничная цена | фото | 1 | 0 | ||||
| 8 | 234-4493 Рекомендуемая розничная цена | фото | 1 | 0 | ||||
| 9 | 194-8325 Рекомендуемая розничная цена | 轴承组件 | 2 | 0 | ||||
| 10 | 129-7863 | 罩盖 | 1 | 0 | ||||
| 11 | 129-7921 Рекомендуемая розничная цена | 挡圈 | 2 | 0 | ||||
| 12 | 234-4498 Рекомендуемая розничная цена | 唇形油封 | 1 | 0 | ||||
| 13 | 129-7927 Рекомендуемая розничная цена | 轴承 | 2 | 0 | ||||
| 14 | 129-7979 | 定位销 | 4 | 0 | ||||
| 15 | 150-5782 | 罩盖 | 2 | 0 | ||||
| 16 | 225-4541 | 驱动轴 | 1 | 0 | ||||
| 17 | 173-3427 | 导向球头座 | 2 | 0 | ||||
| 18 | 129-7853 | 板 | 2 | 0 | ||||
| 19 | 256-0081 | 驱动活塞筒组件 | 1 | 0 | ||||
| 20 | 256-0083 | 泵活塞筒组件 | 1 | 0 | ||||
| 21 | 177-2470 | 罩盖 | 1 | 0 | ||||
| 22 | 177-2471 | 罩盖 | 1 | 0 | ||||
| 23 | 177-8740 Рекомендуемая розничная цена | О 形密封圈 | 1 | 0 | ||||
| 24 | 179-9763 | 法兰 | 1 | 0 | ||||
| 25 | 188-4210 | 活塞组件 | 2 | 0 | ||||
| 26 | 192-0573 | 定位销 | 4 | 0 | ||||
| 27 | 200-3333 | 泵头 | 1 | 0 | ||||
| 28 | 200-3334 | 罩盖 | 1 | 0 | ||||
| 29 | 225-4542 | 从动轴 | 1 | 0 | ||||
| 30 | 256-0074 | 泵执行器总成(Драйв) Y | 1 | 0 | ||||
| 31 | 256-0077 | 泵执行器总成(Управляемый) Y | 1 | 0 | ||||
| 32 | 242-6801 | 斜盘组件 | 2 | 0 | ||||
| (Каждый из них включает) | ||||||||
| 32А | 094-1875 | 定位销 | 1 | 0 | ||||
| 32Б | 173-3428 Рекомендуемая розничная цена | 衬套 | 1 | 0 | ||||
| 32С | 242-6803 | 定位销 | 2 | 0 | ||||
| 33 | 242-6804 Рекомендуемая розничная цена | 轴承 | 4 | 0 | ||||
| 34 | 9С-4185 | 螺塞(3/4-16-THD) | 2 | 0 | ||||
| 35 | 247-8782 | 壳体 | 1 | 0 | ||||
| 36 | 247-8920 | 节流孔 | 2 | 0 | ||||
| 37 | 094-1875 | 定位销 | 6 | 0 | ||||
| 38 | 094-1882 | 螺塞 | 16 | 0 | ||||
| 39 | 095-0946 Рекомендуемая розничная цена | 挡圈 | 2 | 0 | ||||
| 40 | 8Т-4196 | 螺栓(M10X1,5X35-MM) M | 2 | 0 | ||||
| 41 | 096-3944 Рекомендуемая розничная цена | О 形密封圈 | 1 | 0 | ||||
| 42 | 189-9763 Рекомендуемая розничная цена | О 形密封圈 | 8 | 0 | ||||
| 43 | 190-4896 | 螺塞 | 2 | 0 | ||||
| 44 | 193-1736 гг. Рекомендуемая розничная цена | О 形密封圈 | 4 | 0 | ||||
| 45 | 3K-0360 Рекомендуемая розничная цена | О 形密封圈 | 2 | 0 | ||||
| 备用件 | ||||||||
| 46 | 7m-8485 Рекомендуемая розничная цена | О 形密封圈 | 2 | 0 | ||||
| 备用件 | ||||||||
| 47 | 7X-2557 | 螺栓(M16X2X140-MM) M | 1 | 0 | ||||
| 48 | 8J-4645 | 螺塞(Уплотнительное кольцо с прямой резьбой) | 2 | 0 | ||||
| 49 | 8Т-3338 Рекомендуемая розничная цена | О 形密封圈 | 2 | 0 | ||||
| 50 | 8Т-4136 | 螺栓(M10X1,5X25-MM) M | 18 | 0 | ||||
| 51 | 8Т-4137 | 螺栓(M10X1,5X20-MM) M | 2 | 0 | ||||
| 52 | 8Т-4139 | 螺栓(M12X1,75X30-MM) M | 10 | 0 | ||||
| 53 | 8Т-4140 | 螺栓(M16X2X60-MM) M | 4 | 0 | ||||
| 54 | 8Т-4175 | 螺栓(M16X2X90-MM) M | 2 | 0 | ||||
| 55 | 8Т-4176 | 螺栓(M12X1,75X90-MM) M | 2 | 0 | ||||
| 56 | 8Т-4192 | 螺栓(M12X1,75X25-MM) M | 10 | 0 | ||||
Доступные ремонтные комплекты (ы): | ||||||||
| 250-2503 Рекомендуемая розничная цена | 密封件套件 (пилотный шестеренный насос) J | 1 | 0 | |||||
| P Art название | 325D 329D ГЛАВНЫЙ НАСОС | |||||
| Оборудование | Применить к кошачьим экскаватору | |||||
| Часть №. | 272-6959 | |||||
| Кадрские отверстия | / | |||||
| Порывы звезд | / | |||||
| Условие предмета | Новый | |||||
| Логотип | ФУНТ | |||||
| Вес брутто | 560 кг | |||||
| Могил | 1 шт | |||||





| 价格和供货情况价格和供货情况 下拉菜单 | 液压信息 Добавить всю рекомендованную розничную цену 全部 | |||||||
|---|---|---|---|---|---|---|---|---|
| 零件号 | 零件名称 | 数量 必需 | ||||||
| 1 | 4И-1022 | 节流孔 | 2 | 0 | ||||
| 2 | 7Y-4215 | 隔套 | 2 | 0 | ||||
| 3 | 096-3983 Рекомендуемая розничная цена | 挡圈 | 1 | 0 | ||||
| 4 | 096-4389 Рекомендуемая розничная цена | 弹簧 | 18 | 0 | ||||
| 5 | 126-2016 | 齿轮泵总成 (Пилот) J | 1 | 0 | ||||
| 备用件 | ||||||||
| 5А | 9Т-0835 Рекомендуемая розничная цена | 挡圈 | 1 | 0 | ||||
| 6 | 225-4611 | 外壳 | 1 | 0 | ||||
| 7 | 234-4494 Рекомендуемая розничная цена | фото | 1 | 0 | ||||
| 8 | 234-4493 Рекомендуемая розничная цена | фото | 1 | 0 | ||||
| 9 | 194-8325 Рекомендуемая розничная цена | 轴承组件 | 2 | 0 | ||||
| 10 | 129-7863 | 罩盖 | 1 | 0 | ||||
| 11 | 129-7921 Рекомендуемая розничная цена | 挡圈 | 2 | 0 | ||||
| 12 | 234-4498 Рекомендуемая розничная цена | 唇形油封 | 1 | 0 | ||||
| 13 | 129-7927 Рекомендуемая розничная цена | 轴承 | 2 | 0 | ||||
| 14 | 129-7979 | 定位销 | 4 | 0 | ||||
| 15 | 150-5782 | 罩盖 | 2 | 0 | ||||
| 16 | 225-4541 | 驱动轴 | 1 | 0 | ||||
| 17 | 173-3427 | 导向球头座 | 2 | 0 | ||||
| 18 | 129-7853 | 板 | 2 | 0 | ||||
| 19 | 256-0081 | 驱动活塞筒组件 | 1 | 0 | ||||
| 20 | 256-0083 | 泵活塞筒组件 | 1 | 0 | ||||
| 21 | 177-2470 | 罩盖 | 1 | 0 | ||||
| 22 | 177-2471 | 罩盖 | 1 | 0 | ||||
| 23 | 177-8740 Рекомендуемая розничная цена | О 形密封圈 | 1 | 0 | ||||
| 24 | 179-9763 | 法兰 | 1 | 0 | ||||
| 25 | 188-4210 | 活塞组件 | 2 | 0 | ||||
| 26 | 192-0573 | 定位销 | 4 | 0 | ||||
| 27 | 200-3333 | 泵头 | 1 | 0 | ||||
| 28 | 200-3334 | 罩盖 | 1 | 0 | ||||
| 29 | 225-4542 | 从动轴 | 1 | 0 | ||||
| 30 | 256-0074 | 泵执行器总成(Драйв) Y | 1 | 0 | ||||
| 31 | 256-0077 | 泵执行器总成(Управляемый) Y | 1 | 0 | ||||
| 32 | 242-6801 | 斜盘组件 | 2 | 0 | ||||
| (Каждый из них включает) | ||||||||
| 32А | 094-1875 | 定位销 | 1 | 0 | ||||
| 32Б | 173-3428 Рекомендуемая розничная цена | 衬套 | 1 | 0 | ||||
| 32С | 242-6803 | 定位销 | 2 | 0 | ||||
| 33 | 242-6804 Рекомендуемая розничная цена | 轴承 | 4 | 0 | ||||
| 34 | 9С-4185 | 螺塞(3/4-16-THD) | 2 | 0 | ||||
| 35 | 247-8782 | 壳体 | 1 | 0 | ||||
| 36 | 247-8920 | 节流孔 | 2 | 0 | ||||
| 37 | 094-1875 | 定位销 | 6 | 0 | ||||
| 38 | 094-1882 | 螺塞 | 16 | 0 | ||||
| 39 | 095-0946 Рекомендуемая розничная цена | 挡圈 | 2 | 0 | ||||
| 40 | 8Т-4196 | 螺栓(M10X1,5X35-MM) M | 2 | 0 | ||||
| 41 | 096-3944 Рекомендуемая розничная цена | О 形密封圈 | 1 | 0 | ||||
| 42 | 189-9763 Рекомендуемая розничная цена | О 形密封圈 | 8 | 0 | ||||
| 43 | 190-4896 | 螺塞 | 2 | 0 | ||||
| 44 | 193-1736 гг. Рекомендуемая розничная цена | О 形密封圈 | 4 | 0 | ||||
| 45 | 3K-0360 Рекомендуемая розничная цена | О 形密封圈 | 2 | 0 | ||||
| 备用件 | ||||||||
| 46 | 7m-8485 Рекомендуемая розничная цена | О 形密封圈 | 2 | 0 | ||||
| 备用件 | ||||||||
| 47 | 7X-2557 | 螺栓(M16X2X140-MM) M | 1 | 0 | ||||
| 48 | 8J-4645 | 螺塞(Уплотнительное кольцо с прямой резьбой) | 2 | 0 | ||||
| 49 | 8Т-3338 Рекомендуемая розничная цена | О 形密封圈 | 2 | 0 | ||||
| 50 | 8Т-4136 | 螺栓(M10X1,5X25-MM) M | 18 | 0 | ||||
| 51 | 8Т-4137 | 螺栓(M10X1,5X20-MM) M | 2 | 0 | ||||
| 52 | 8Т-4139 | 螺栓(M12X1,75X30-MM) M | 10 | 0 | ||||
| 53 | 8Т-4140 | 螺栓(M16X2X60-MM) M | 4 | 0 | ||||
| 54 | 8Т-4175 | 螺栓(M16X2X90-MM) M | 2 | 0 | ||||
| 55 | 8Т-4176 | 螺栓(M12X1,75X90-MM) M | 2 | 0 | ||||
| 56 | 8Т-4192 | 螺栓(M12X1,75X25-MM) M | 10 | 0 | ||||
Доступные ремонтные комплекты (ы): | ||||||||
| 250-2503 Рекомендуемая розничная цена | 密封件套件 (пилотный шестеренный насос) J | 1 | 0 | |||||