Позвони нам сейчас
Стационарная линия: +86-750-6688281
Телефон: +86-13392072868
Телефон: +86-13302589039
| штат: | |
|---|---|
| Количество: | |
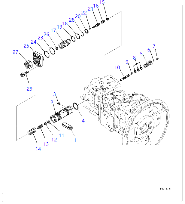
| P Art название | PC220-8 Swing Gearbox | |||||
| Оборудование | Применить к экскаватору Комацу | |||||
| Часть №. | 708-2L -00790 | |||||
| №1 зубы сплайки солнца | 18 сплайнов | |||||
| Свинг -шестернит зубы | 13 т | |||||
| Условие предмета | Новый | |||||
| Логотип | ФУНТ | |||||
| Вес брутто | - | |||||
| Могил | 1 шт | |||||





| Поступок | ЧАСТЬ НЕТ | QUTY | Имя детали | Комментарии |
|---|---|---|---|---|
| 708-2L -00790 | [1] | Насосная сборка, поршневый комацу | 145 кг. | |
| [ 'SN: 80455-Up '] Аналоги: [ '7082L00600 ', '7082L01600 '] | $ 0. | ||||
| 708-2L-01600 | [1] | Насосная подмазора комацу | 145 кг. | |
| [ 'SN: 80455-Up ', 'SCC: C2 '] Аналоги: [ '7082L00600 ', '7082L00790 '] | $ 1. | ||||
| 708-2L-06440 | [1] | Сборка корпуса, передний комацу | 42,5 кг. | |
| [ 'SN: 80455-Up ', 'SCC: C2 '] Аналоги: [ '7082L31411 '] | $ 2. | ||||
| 3 | 07000-B1009 | [1] | Уплотнительное кольцо Комацу Китай | 0,001 кг. |
| [ 'SN: 80455-Up '] Аналоги: [ '7082L23910 '] | ||||
| 4 | 07044-12412 | [1] | Подключите Komatsu | 0,09 кг. |
| [ 'SN: 80455-Up '] Аналоги: [ '0704402412 ', 'R0704412412 '] | ||||
| 5 | 07002-62434 | [1] | Уплотнительное кольцо Комацу | 0,001 кг. |
| [ 'SN: 80455-Up '] Аналоги: [ '7081W28910 '] | ||||
| 6 | 04530-11222 | [1] | Болт, глаз Комацу | 0,122 кг. |
| [ 'Sn: 80455-up '] | ||||
| 7 | 708-8E-16150 | [3] | Подключите Komatsu | 0,02 кг. |
| [ 'Sn: 80455-up '] | ||||
| 8 | 07002-61023 | [3] | Уплотнительное кольцо Комацу | 0,22 кг. |
| [ 'SN: 80455-Up '] Аналоги: [ '7082L23920 '] | ||||
| Поступок | ЧАСТЬ НЕТ | QUTY | Имя детали | Комментарии |
|---|---|---|---|---|
| 708-2L -00790 | [1] | Насосная сборка, поршневый комацу | 145 кг. | |
| [ 'SN: 80455-Up '] Аналоги: [ '7082L00600 ', '7082L01600 '] | $ 0. | ||||
| 708-2L-01600 | [1] | Насосная подмазора комацу | 145 кг. | |
| [ 'SN: 80455-Up ', 'SCC: C2 '] Аналоги: [ '7082L00600 ', '7082L00790 '] | $ 1. | ||||
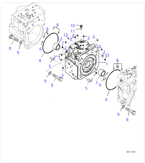
| 708-2L-06450 | [1] | Сборка крышки, конец комацу | 32,2 кг. | |
| [ 'SN: 80455-Up ', 'SCC: C2 '] | $ 2. | ||||
| 3 | 708-2L-32260 | [2] | Несущий комацу | 0,2 кг. |
| [ 'SN: 80455-Up ', 'SCC: C2 '] Аналоги: [ '7082L22260 '] | ||||
| 4 | 07000-A5165 | [2] | Уплотнительное кольцо Комацу | 0,018 кг. |
| [ 'SN: 80455-Up ', 'SCC: C2 '] Аналоги: [ '79398073 '] | ||||
| 5 | 04020-01228 | [2] | Булавка, дюбель Комацу | 0,026 кг. |
| [ 'SN: 80455-Up ', 'SCC: C2 '] Аналоги: [ '21t3016190 '] | ||||
| 6 | 07000-B2012 | [11] | Уплотнительное кольцо Комацу Китай | 0,001 кг. |
| [ 'SN: 80455-Up ', 'SCC: C2 '] | ||||
| 7 | 708-2L-25480 | [4] | Фильтр Komatsu OEM | 0,5 кг. |
| [ 'SN: 80455-Up ', 'SCC: C2 '] | ||||
| 8 | 01010-61655 | [8] | Болт Комацу | 0,119 кг. |
| [ 'SN: 80455-Up ', 'SCC: C2 '] Аналоги: [ '801015613 ', '0101031655 ', '0101051655 ', '0101081655 '] | ||||
| 9 | 01643-31645 | [8] | Стиральная машина Комацу | 0,072 кг. |
| [ 'SN: 80455-Up ', 'SCC: C2 '] Аналоги: [ '802170005 ', '0164301645 '] | ||||
| 10 | 708-8E-16150 | [5] | Подключите Komatsu | 0,02 кг. |
| [ 'Sn: 80455-up '] | ||||
| 11 | 07002-61023 | [5] | Уплотнительное кольцо Комацу | 0,22 кг. |
| [ 'SN: 80455-Up '] Аналоги: [ '7082L23920 '] | ||||
| 12 | 708-1L-29340 | [2] | Отверстие комацу | 0,001 кг. |
| [ 'SN: 80455-Up ', 'SCC: C2 '] | ||||
| Поступок | ЧАСТЬ НЕТ | QUTY | Имя детали | Комментарии |
|---|---|---|---|---|
| 708-2L -00790 | [1] | Насосная сборка, поршневый комацу | 145 кг. | |
| [ 'SN: 80455-Up '] Аналоги: [ '7082L00600 ', '7082L01600 '] | $ 0. | ||||
| 708-2L-01600 | [1] | Насосная подмазора комацу | 145 кг. | |
| [ 'SN: 80455-Up ', 'SCC: C2 '] Аналоги: [ '7082L00600 ', '7082L00790 '] | $ 1. | ||||
| 1 | 708-2L-32160 | [1] | Шахта, передний комацу | 3,1 кг. |
| [ 'SN: 80455-Up ', 'SCC: C2 '] | ||||
| 2 | 708-2L-32150 | [1] | Несущий комацу | 0,6 кг. |
| [ 'SN: 80455-Up ', 'SCC: C2 '] Аналоги: [ '7082E12152 ', '7082L22150 ', '7082512731 '] | ||||
| 3 | 708-2E-05040 | [1] | Стиральная комплекта Комацу | 0,101 кг. |
| [ 'SN: 80455-Up ', 'SCC: C2 '] Аналоги: [ '7082E12190 '] | ||||
| 4 | 708-25-12790 | [1] | Кольцо, Snap Komatsu | 0,006 кг. |
| [ 'SN: 80455-Up ', 'SCC: C2 '] | ||||
| 5 | 708-25-52861 | [1] | Печать, нефтяной комацу Китай | 0,078 кг. |
| [ 'SN: 80455-Up '] Аналоги: [ '7082552860 ', '7067340920 '] | ||||
| 6 | 708-2L-22160 | [1] | Спейсер Комацу | 0,047 кг. |
| [ 'Sn: 80455-up '] | ||||
| 7 | 04065-06825 | [1] | Кольцо, Snap Komatsu | 0,018 кг. |
| [ 'Sn: 80455-up '] | ||||
| 708-2L-06470 | [1] | Блок в сборе, передний комацу | 5,26 кг. | |
| [ 'SN: 80455-Up ', 'SCC: C2 '] | $ 13. | ||||
| 10 | 720-68-19610 | [1] | Приколоть комацу | 0,002 кг. |
| [ 'SN: 80455-Up ', 'SCC: C2 '] | ||||
| 11 | 04065-04818 | [1] | Кольцо, Snap Komatsu OEM | 0,007 кг. |
| [ 'SN: 80455-Up ', 'SCC: C2 '] | ||||
| 12 | 708-2L-23131 | [1] | Сиденье Комацу | 0,073 кг. |
| [ 'SN: 80455-Up ', 'SCC: C2 '] | ||||
| 13 | 708-2L-33160 | [1] | Весна Комацу | 0,12 кг. |
| [ 'SN: 80455-Up ', 'SCC: C2 '] Аналоги: [ '7082L23151 '] | ||||
| 14 | 708-7L-13140 | [1] | Сиденье Комацу | 0,02 кг. |
| [ 'SN: 80455-Up ', 'SCC: C2 '] | ||||
| 15 | 708-2L-23351 | [1] | Гид, фиксатор Komatsu OEM | 0,14 кг. |
| [ 'SN: 80455-Up ', 'SCC: C2 '] | ||||
| 16 | 708-2L-23360 | [3] | Приколоть комацу | 0,003 кг. |
| [ 'SN: 80455-Up ', 'SCC: C2 '] | ||||
| 17 | 708-2L-33350 | [1] | СОЕДИНСТВА, SHOUE KOMATSU | 0,3 кг. |
| [ 'SN: 80455-Up ', 'SCC: C2 '] | ||||
| 18 | 708-2L-33430 | [9] | Поршневая подмазора Комацу | 0,209 кг. |
| [ 'SN: 80455-Up ', 'SCC: C2 '] | ||||
| 708-2L-06630 | [1] | Колыбельная сборка Комацу | 4,3 кг. | |
| [ 'SN: 80455-Up ', 'SCC: C2 '] | $ 25. | ||||
| 21 | 04020-01228 | [1] | Булавка, дюбель Комацу | 0,026 кг. |
| [ 'SN: 80455-Up ', 'SCC: C2 '] Аналоги: [ '21t3016190 '] | ||||
| 22 | 01252-61230 | [4] | Болт, шестигранная гнезда головка Комацу | 0,044 кг. |
| [ 'SN: 80455-Up ', 'SCC: C2 '] | ||||

| Поступок | ЧАСТЬ НЕТ | QUTY | Имя детали | Комментарии |
|---|---|---|---|---|
| 708-2L -00790 | [1] | Насосная сборка, поршневый комацу | 145 кг. | |
| [ 'SN: 80455-Up '] Аналоги: [ '7082L00600 ', '7082L01600 '] | $ 0. | ||||
| 708-2L-01600 | [1] | Насосная подмазора комацу | 145 кг. | |
| [ 'SN: 80455-Up ', 'SCC: C2 '] Аналоги: [ '7082L00600 ', '7082L00790 '] | $ 1. | ||||
| 1 | 708-2L-34180 | [1] | Слайдер Комацу | 0,23 кг. |
| [ 'SN: 80455-Up ', 'SCC: C2 '] | ||||
| 1 | 708-2L-06680 | [1] | Ассамблея клапана Komatsu China | |
| [ 'SN: 80455-Up ', 'SCC: C2 '] | ||||
| 1 | 708-2L-06660 | [1] | Поршневая сборка Комацу | 0,000 кг. |
| [ 'SN: 80455-Up ', 'SCC: C2 '] | ||||
| 6 | 708-2L-35760 | [1] | Ball Komatsu | 0,001 кг. |
| [ 'SN: 80455-Up ', 'SCC: C2 '] | ||||
| 7 | 708-2L-35770 | [1] | Подключите Komatsu | 0,005 кг. |
| [ 'SN: 80455-Up ', 'SCC: C2 '] | ||||
| 9 | 708-2L-35280 | [1] | Приколоть комацу | 0,01 кг. |
| [ 'SN: 80455-Up ', 'SCC: C2 '] | ||||
| 10 | 708-2L-35860 | [1] | Spool Komatsu | 0,03 кг. |
| [ 'SN: 80455-Up ', 'SCC: C2 '] | ||||
| 11 | 708-2L-35630 | [1] | Сдержан Комацу | 0,22 кг. |
| [ 'SN: 80455-Up ', 'SCC: C2 '] | ||||
| 12 | 708-2L-35641 | [1] | Сиденье Комацу | 0,01 кг. |
| [ 'SN: 80455-Up ', 'SCC: C2 '] | ||||
| 13 | 708-2L-35240 | [1] | Весна Комацу | 0,01 кг. |
| [ 'SN: 80455-Up ', 'SCC: C2 '] | ||||
| 14 | 708-2L-35730 | [1] | Весна Комацу Китай | |
| [ 'SN: 80455-Up ', 'SCC: C2 '] | ||||
| 15 | 708-2L-35650 | [1] | Сиденье Комацу | 0,01 кг. |
| [ 'SN: 80455-Up ', 'SCC: C2 '] | ||||
| 16 | 708-2L-35250 | [1] | Весна Комацу Китай | |
| [ 'SN: 80455-Up ', 'SCC: C2 '] | ||||
| 18 | 07000-B3034 | [1] | Уплотнительное кольцо Комацу | 0,002 кг. |
| [ 'SN: 80455-Up ', 'SCC: C2 '] | ||||
| 19 | 708-2L-35210 | [1] | Кольцо, резервный комацу | 0,001 кг. |
| [ 'SN: 80455-Up ', 'SCC: C2 '] | ||||
| 21 | 708-2L-35270 | [1] | Подключите Komatsu | 0,04 кг. |
| [ 'SN: 80455-Up ', 'SCC: C2 '] | ||||
| 22 | 07000-B2011 | [1] | Уплотнительное кольцо Комацу | 0,001 кг. |
| [ 'SN: 80455-Up ', 'SCC: C2 '] | ||||
| 23 | 07000-B3045 | [1] | Уплотнительное кольцо Комацу | 0,002 кг. |
| [ 'SN: 80455-Up ', 'SCC: C2 '] | ||||
| 24 | 708-2L-35750 | [1] | Кольцо, резервный комацу | 0,001 кг. |
| [ 'SN: 80455-Up ', 'SCC: C2 '] | ||||
| 25 | 708-2L-34310 | [1] | Покрыть Komatsu China | |
| [ 'SN: 80455-Up ', 'SCC: C2 '] | ||||
| 26 | 01580-10806 | [1] | Ореховый комацу | 0,005 кг. |
| [ 'SN: 80455-Up ', 'SCC: C2 '] Аналоги: [ '801920104 '] | ||||
| 27 | 708-2L-35290 | [1] | Ореховый комацу | 0,12 кг. |
| [ 'SN: 80455-Up ', 'SCC: C2 '] | ||||
| 28 | 708-2L-35670 | [1] | Кольцо, проволочный комацу | 0,01 кг. |
| [ 'SN: 80455-Up ', 'SCC: C2 '] | ||||
| 29 | 01252-61440 | [4] | Болт, шестигранный гнездо головы Komatsu China | |
| [ 'SN: 80455-Up ', 'SCC: C2 '] Аналоги: [ '0125231440 '] | ||||
| Поступок | ЧАСТЬ НЕТ | QUTY | Имя детали | Комментарии |
|---|---|---|---|---|
| 708-2L -00790 | [1] | Насосная сборка, поршневый комацу | 145 кг. | |
| [ 'SN: 80455-Up '] Аналоги: [ '7082L00600 ', '7082L01600 '] | $ 0. | ||||
| 708-2L-01600 | [1] | Насосная подмазора комацу | 145 кг. | |
| [ 'SN: 80455-Up ', 'SCC: C2 '] Аналоги: [ '7082L00600 ', '7082L00790 '] | $ 1. | ||||
| 708-2L-06670 | [1] | Крышка сборки Komatsu China | ||
| [ 'SN: 80455-Up ', 'SCC: C2 '] | $ 2. | ||||
| 1 | 708-2L-34340 | [1] | Винт Комацу | 0,000 кг. |
| [ 'SN: 80455-Up ', 'SCC: C2 '] | ||||
| 2 | 07000-B3034 | [1] | Уплотнительное кольцо Комацу | 0,002 кг. |
| [ 'SN: 80455-Up ', 'SCC: C2 '] | ||||
| 3 | 708-2L-35210 | [1] | Кольцо, резервный комацу | 0,001 кг. |
| [ 'SN: 80455-Up ', 'SCC: C2 '] | ||||
| 4 | 708-2L-35290 | [1] | Ореховый комацу | 0,12 кг. |
| [ 'SN: 80455-Up ', 'SCC: C2 '] | ||||
| 5 | 708-2L-34320 | [1] | Покрыть комацу | 0,000 кг. |
| [ 'SN: 80455-Up ', 'SCC: C2 '] | ||||
| 6 | 07000-B3045 | [1] | Уплотнительное кольцо Комацу | 0,002 кг. |
| [ 'SN: 80455-Up ', 'SCC: C2 '] | ||||
| 7 | 708-2L-35750 | [1] | Кольцо, резервный комацу | 0,001 кг. |
| [ 'SN: 80455-Up ', 'SCC: C2 '] | ||||
| 8 | 01252-61440 | [4] | Болт, шестигранный гнездо головы Komatsu China | |
| [ 'SN: 80455-Up ', 'SCC: C2 '] Аналоги: [ '0125231440 '] | ||||

| Поступок | ЧАСТЬ НЕТ | QUTY | Имя детали | Комментарии |
|---|---|---|---|---|
| 708-2L -00790 | [1] | Насосная сборка, поршневый комацу | 145 кг. | |
| [ 'SN: 80455-Up '] Аналоги: [ '7082L00600 ', '7082L01600 '] | $ 0. | ||||
| 708-2L-01600 | [1] | Насосная подмазора комацу | 145 кг. | |
| [ 'SN: 80455-Up ', 'SCC: C2 '] Аналоги: [ '7082L00600 ', '7082L00790 '] | $ 1. | ||||
| 708-2L-06460 | [1] | Сборка корпуса, задний комацу | 0,000 кг. | |
| [ 'SN: 80455-Up ', 'SCC: C2 '] Аналоги: [ '7082L31430 '] | $ 2. | ||||
| 3 | 07000-B1009 | [1] | Уплотнительное кольцо Комацу Китай | 0,001 кг. |
| [ 'SN: 80455-Up ', 'SCC: C2 '] Аналоги: [ '7082L23910 '] | ||||
| 4 | 07044-12412 | [1] | Подключите Komatsu | 0,09 кг. |
| [ 'SN: 80455-Up '] Аналоги: [ '0704402412 ', 'R0704412412 '] | ||||
| 5 | 07002-62434 | [1] | Уплотнительное кольцо Комацу | 0,001 кг. |
| [ 'SN: 80455-Up '] Аналоги: [ '7081W28910 '] | ||||
| 6 | 04530-11222 | [1] | Болт, глаз Комацу | 0,122 кг. |
| [ 'Sn: 80455-up '] | ||||
| 7 | 20B-27-11210 | [1] | Bleeder Komatsu | 0,02 кг. |
| [ 'Sn: 80455-up '] | ||||
| 8 | 708-8E-16150 | [2] | Подключите Komatsu | 0,02 кг. |
| [ 'Sn: 80455-up '] | ||||
| 9 | 07002-61023 | [2] | Уплотнительное кольцо Комацу | 0,22 кг. |
| [ 'SN: 80455-Up '] Аналоги: [ '7082L23920 '] | ||||
| 10 | 07040-12414 | [2] | Подключите Komatsu | 0,092 кг. |
| [ 'SN: 80455-Up '] Аналоги: [ '0704002412 ', '0704012412 '] | ||||
| Поступок | ЧАСТЬ НЕТ | QUTY | Имя детали | Комментарии |
|---|---|---|---|---|
| 708-2L -00790 | [1] | Насосная сборка, поршневый комацу | 145 кг. | |
| [ 'SN: 80455-Up '] Аналоги: [ '7082L00600 ', '7082L01600 '] | $ 0. | ||||
| 708-2L-01600 | [1] | Насосная подмазора комацу | 145 кг. | |
| [ 'SN: 80455-Up ', 'SCC: C2 '] Аналоги: [ '7082L00600 ', '7082L00790 '] | $ 1. | ||||
| 1 | 708-2L-32170 | [1] | Вал, задний комацу | 2,1 кг. |
| [ 'SN: 80455-Up ', 'SCC: C2 '] | ||||
| 2 | 708-2L-32150 | [1] | Несущий комацу | 0,6 кг. |
| [ 'SN: 80455-Up ', 'SCC: C2 '] Аналоги: [ '7082E12152 ', '7082L22150 ', '7082512731 '] | ||||
| 3 | 708-2E-05040 | [1] | Стиральная комплекта Комацу | 0,101 кг. |
| [ 'SN: 80455-Up ', 'SCC: C2 '] Аналоги: [ '7082E12190 '] | ||||
| 4 | 708-25-12790 | [1] | Кольцо, Snap Komatsu | 0,006 кг. |
| [ 'SN: 80455-Up ', 'SCC: C2 '] | ||||
| 708-2L-06480 | [1] | Блок в сборе, задний комацу | 5,26 кг. | |
| [ 'SN: 80455-Up ', 'SCC: C2 '] | $ 10. | ||||
| 7 | 720-68-19610 | [1] | Приколоть комацу | 0,002 кг. |
| [ 'SN: 80455-Up ', 'SCC: C2 '] | ||||
| 8 | 04065-04818 | [1] | Кольцо, Snap Komatsu OEM | 0,007 кг. |
| [ 'SN: 80455-Up ', 'SCC: C2 '] | ||||
| 9 | 708-2L-23131 | [1] | Сиденье Комацу | 0,073 кг. |
| [ 'SN: 80455-Up ', 'SCC: C2 '] | ||||
| 10 | 708-2L-33160 | [1] | Весна Комацу | 0,12 кг. |
| [ 'SN: 80455-Up ', 'SCC: C2 '] Аналоги: [ '7082L23151 '] | ||||
| 11 | 708-7L-13140 | [1] | Сиденье Комацу | 0,02 кг. |
| [ 'SN: 80455-Up ', 'SCC: C2 '] | ||||
| 12 | 708-2L-23351 | [1] | Гид, фиксатор Komatsu OEM | 0,14 кг. |
| [ 'SN: 80455-Up ', 'SCC: C2 '] | ||||
| 13 | 708-2L-23360 | [3] | Приколоть комацу | 0,003 кг. |
| [ 'SN: 80455-Up ', 'SCC: C2 '] | ||||
| 14 | 708-2L-33350 | [1] | СОЕДИНСТВА, SHOUE KOMATSU | 0,3 кг. |
| [ 'SN: 80455-Up ', 'SCC: C2 '] | ||||
| 15 | 708-2L-33430 | [9] | Поршневая подмазора Комацу | 0,209 кг. |
| [ 'SN: 80455-Up ', 'SCC: C2 '] | ||||
| 708-2L-06630 | [1] | Колыбельная сборка Комацу | 4,3 кг. | |
| [ 'SN: 80455-Up ', 'SCC: C2 '] | $ 22. | ||||
| 18 | 04020-01228 | [1] | Булавка, дюбель Комацу | 0,026 кг. |
| [ 'SN: 80455-Up ', 'SCC: C2 '] Аналоги: [ '21t3016190 '] | ||||
| 19 | 01252-61230 | [4] | Болт, шестигранная гнезда головка Комацу | 0,044 кг. |
| [ 'SN: 80455-Up ', 'SCC: C2 '] | ||||
| Поступок | ЧАСТЬ НЕТ | QUTY | Имя детали | Комментарии |
|---|---|---|---|---|
| 708-2L -00790 | [1] | Насосная сборка, поршневый комацу | 145 кг. | |
| [ 'SN: 80455-Up '] Аналоги: [ '7082L00600 ', '7082L01600 '] | $ 0. | ||||
| 708-2L-01600 | [1] | Насосная подмазора комацу | 145 кг. | |
| [ 'SN: 80455-Up ', 'SCC: C2 '] Аналоги: [ '7082L00600 ', '7082L00790 '] | $ 1. | ||||
| 1 | 708-2L-34180 | [1] | Слайдер Комацу | 0,23 кг. |
| [ 'SN: 80455-Up ', 'SCC: C2 '] | ||||
| 1 | 708-2L-06680 | [1] | Ассамблея клапана Komatsu China | |
| [ 'SN: 80455-Up ', 'SCC: C2 '] | ||||
| 1 | 708-2L-06660 | [1] | Поршневая сборка, серво -комацу | 0,000 кг. |
| [ 'SN: 80455-Up ', 'SCC: C2 '] | ||||
| 6 | 708-2L-35760 | [1] | Ball Komatsu | 0,001 кг. |
| [ 'SN: 80455-Up ', 'SCC: C2 '] | ||||
| 7 | 708-2L-35770 | [1] | Подключите Komatsu | 0,005 кг. |
| [ 'SN: 80455-Up ', 'SCC: C2 '] | ||||
| 9 | 708-2L-35280 | [1] | Приколоть комацу | 0,01 кг. |
| [ 'SN: 80455-Up ', 'SCC: C2 '] | ||||
| 10 | 708-2L-35860 | [1] | Spool Komatsu | 0,03 кг. |
| [ 'SN: 80455-Up ', 'SCC: C2 '] | ||||
| 11 | 708-2L-35630 | [1] | Сдержан Комацу | 0,22 кг. |
| [ 'SN: 80455-Up ', 'SCC: C2 '] | ||||
| 12 | 708-2L-35641 | [1] | Сиденье Комацу | 0,01 кг. |
| [ 'SN: 80455-Up ', 'SCC: C2 '] | ||||
| 13 | 708-2L-35240 | [1] | Весна Комацу | 0,01 кг. |
| [ 'SN: 80455-Up ', 'SCC: C2 '] | ||||
| 14 | 708-2L-35730 | [1] | Весна Комацу Китай | |
| [ 'SN: 80455-Up ', 'SCC: C2 '] | ||||
| 15 | 708-2L-35650 | [1] | Сиденье Комацу | 0,01 кг. |
| [ 'SN: 80455-Up ', 'SCC: C2 '] | ||||
| 16 | 708-2L-35250 | [1] | Весна Комацу Китай | |
| [ 'SN: 80455-Up ', 'SCC: C2 '] | ||||
| 18 | 07000-B3034 | [1] | Уплотнительное кольцо Комацу | 0,002 кг. |
| [ 'SN: 80455-Up ', 'SCC: C2 '] | ||||
| 19 | 708-2L-35210 | [1] | Кольцо, резервный комацу | 0,001 кг. |
| [ 'SN: 80455-Up ', 'SCC: C2 '] | ||||
| 21 | 708-2L-35270 | [1] | Подключите Komatsu | 0,04 кг. |
| [ 'SN: 80455-Up ', 'SCC: C2 '] | ||||
| 22 | 07000-B2011 | [1] | Уплотнительное кольцо Комацу | 0,001 кг. |
| [ 'SN: 80455-Up ', 'SCC: C2 '] | ||||
| 23 | 07000-B3045 | [1] | Уплотнительное кольцо Комацу | 0,002 кг. |
| [ 'SN: 80455-Up ', 'SCC: C2 '] | ||||
| 24 | 708-2L-35750 | [1] | Кольцо, резервный комацу | 0,001 кг. |
| [ 'SN: 80455-Up ', 'SCC: C2 '] | ||||
| 25 | 708-2L-34310 | [1] | Покрыть Komatsu China | |
| [ 'SN: 80455-Up ', 'SCC: C2 '] | ||||
| 26 | 01580-10806 | [1] | Ореховый комацу | 0,005 кг. |
| [ 'SN: 80455-Up ', 'SCC: C2 '] Аналоги: [ '801920104 '] | ||||
| 27 | 708-2L-35290 | [1] | Ореховый комацу | 0,12 кг. |
| [ 'SN: 80455-Up ', 'SCC: C2 '] | ||||
| 28 | 708-2L-35670 | [1] | Кольцо, проволочный комацу | 0,01 кг. |
| [ 'SN: 80455-Up ', 'SCC: C2 '] | ||||
| 29 | 01252-61440 | [4] | Болт, шестигранный гнездо головы Komatsu China | |
| [ 'SN: 80455-Up ', 'SCC: C2 '] Аналоги: [ '0125231440 '] | ||||
| Поступок | ЧАСТЬ НЕТ | QUTY | Имя детали | Комментарии |
|---|---|---|---|---|
| 708-2L -00790 | [1] | Насосная сборка, поршневый комацу | 145 кг. | |
| [ 'SN: 80455-Up '] Аналоги: [ '7082L00600 ', '7082L01600 '] | $ 0. | ||||
| 708-2L-01600 | [1] | Насосная подмазора комацу | 145 кг. | |
| [ 'SN: 80455-Up ', 'SCC: C2 '] Аналоги: [ '7082L00600 ', '7082L00790 '] | $ 1. | ||||
| 708-2L-06670 | [1] | Крышка сборки Komatsu China | ||
| [ 'SN: 80455-Up ', 'SCC: C2 '] | $ 2. | ||||
| 1 | 708-2L-34340 | [1] | Винт Комацу | 0,000 кг. |
| [ 'SN: 80455-Up ', 'SCC: C2 '] | ||||
| 2 | 07000-B3034 | [1] | Уплотнительное кольцо Комацу | 0,002 кг. |
| [ 'SN: 80455-Up ', 'SCC: C2 '] | ||||
| 3 | 708-2L-35210 | [1] | Кольцо, резервный комацу | 0,001 кг. |
| [ 'SN: 80455-Up ', 'SCC: C2 '] | ||||
| 4 | 708-2L-35290 | [1] | Ореховый комацу | 0,12 кг. |
| [ 'SN: 80455-Up ', 'SCC: C2 '] | ||||
| 5 | 708-2L-34320 | [1] | Покрыть комацу | 0,000 кг. |
| [ 'SN: 80455-Up ', 'SCC: C2 '] | ||||
| 6 | 07000-B3045 | [1] | Уплотнительное кольцо Комацу | 0,002 кг. |
| [ 'SN: 80455-Up ', 'SCC: C2 '] | ||||
| 7 | 708-2L-35750 | [1] | Кольцо, резервный комацу | 0,001 кг. |
| [ 'SN: 80455-Up ', 'SCC: C2 '] | ||||
| 8 | 01252-61440 | [4] | Болт, шестигранный гнездо головы Komatsu China | |
| [ 'SN: 80455-Up ', 'SCC: C2 '] Аналоги: [ '0125231440 '] | ||||
| 9 | 708-2L-32180 | [1] | Связывание комацу | 0,38 кг. |
| [ 'SN: 80455-Up ', 'SCC: C2 '] | ||||
| 10 | 708-2L-32190 | [1] | Кольцо Комацу Китай | |
| [ 'SN: 80455-Up ', 'SCC: C2 '] | ||||
| Поступок | ЧАСТЬ НЕТ | QUTY | Имя детали | Комментарии |
|---|---|---|---|---|
| 708-2L -00790 | [1] | Насосная сборка, поршневый комацу | 145 кг. | |
| [ 'SN: 80455-Up '] Аналоги: [ '7082L00600 ', '7082L01600 '] | $ 0. | ||||
| 708-2L-07710 | [2] | Клапан сборка Комацу | 0,000 кг. | |
| [ 'SN: 80455-UP '] | $ 1. | ||||
| 3 | 708-2L-35430 | [1] | Spool Komatsu China | |
| [ 'SN: 80455-Up ', 'SCC: C2 '] | ||||
| 4 | 708-2L-28540 | [1] | Поршень комацу | 0,01 кг. |
| [ 'SN: 80455-Up ', 'SCC: C2 '] | ||||
| 5 | 708-2L-35360 | [1] | Рукав комацу | 0,04 кг. |
| [ 'SN: 80455-Up ', 'SCC: C2 '] | ||||
| 6 | 708-2L-35331 | [1] | Сиденье Комацу | 0,01 кг. |
| [ 'SN: 80455-Up ', 'SCC: C2 '] | ||||
| 7 | 708-2L-35880 | [1] | Весна Комацу Китай | |
| [ 'SN: 80455-Up ', 'SCC: C2 '] | ||||
| 8 | 708-2L-35341 | [1] | Сиденье Комацу | 0,001 кг. |
| [ 'SN: 80455-Up ', 'SCC: C2 '] | ||||
| 9 | 708-2L-35351 | [1] | Подключите Komatsu | 0,04 кг. |
| [ 'SN: 80455-Up ', 'SCC: C2 '] | ||||
| 10 | 07000-B1009 | [1] | Уплотнительное кольцо Комацу Китай | 0,001 кг. |
| [ 'SN: 80455-Up ', 'SCC: C2 '] Аналоги: [ '7082L23910 '] | ||||
| 11 | 07001-01009 | [1] | Кольцо, резервный комацу | 0,001 кг. |
| [ 'SN: 80455-Up ', 'SCC: C2 '] | ||||
| 12 | 01583-11408 | [1] | Ореховый комацу | 0,4 кг. |
| [ 'SN: 80455-Up ', 'SCC: C2 '] Аналоги: [ '801713411 '] | ||||
| 13 | 07002-62434 | [1] | Уплотнительное кольцо Комацу | 0,001 кг. |
| [ 'SN: 80455-Up ', 'SCC: C2 '] Аналоги: [ '7081W28910 '] | ||||
| Поступок | ЧАСТЬ НЕТ | QUTY | Имя детали | Комментарии |
|---|---|---|---|---|
| 708-2L -00790 | [1] | Насосная сборка, поршневый комацу | 145 кг. | |
| [ 'SN: 80455-Up '] Аналоги: [ '7082L00600 ', '7082L01600 '] | $ 0. | ||||
| 1 | 702-21-57400 | [1] | Клапан, пилот komatsu OEM | 0,442 кг. |
| [ 'SN: 80455-Up '] Аналоги: [ '7022155901 '] | ||||
| 2 | 700-80-61260 | [1] | Уплотнительное кольцо Комацу | 0,006 кг. |
| [ 'Sn: 80455-up '] | ||||
| 3 | 723-11-19960 | [1] | Уплотнительное кольцо Комацу | 0,001 кг. |
| [ 'Sn: 80455-up '] | ||||
| 4 | 702-21-54180 | [2] | Винт Комацу Китай | |
| [ 'Sn: 80455-up '] | ||||
| 5 | 702-21-54910 | [2] | Уплотнительное кольцо Комацу | 0,001 кг. |
| [ 'Sn: 80455-up '] | ||||
| 6 | 01252-60635 | [2] | Болт, шестигранная гнезда головка Комацу | 0,011 кг. |
| [ 'Sn: 80455-up '] | ||||
| 7 | 20y-62-22790 | [1] | Полоса, красный комацу | 0,001 кг. |
| [ 'Sn: 80455-up '] | ||||
| 14 | 20y-62-22830 | [1] | Полоса, белый комацу | 0,001 кг. |
| [ 'Sn: 80455-up '] | ||||
| 21 | 20y-62-22810 | [1] | Полоса, желтый комацу | 0,001 кг. |
| [ 'Sn: 80455-up '] | ||||
| 22 | 708-2L-35941 | [2] | Подключите Komatsu | 0,05 кг. |
| [ 'SN: 80455-Up ', 'SCC: C2 '] | ||||
| 23 | 07000-B1008 | [2] | Уплотнительное кольцо Комацу | 0,001 кг. |
| [ 'Sn: 80455-up '] | ||||
| 24 | 07001-01008 | [4] | Кольцо, резервный комацу | 0,001 кг. |
| [ 'Sn: 80455-up '] | ||||
| 25 | 07002-61423 | [2] | Уплотнительное кольцо Комацу | 0,001 кг. |
| [ 'SN: 80455-Up '] Аналоги: [ '7082L23950 '] | ||||
| P Art название | PC220-8 Swing Gearbox | |||||
| Оборудование | Применить к экскаватору Комацу | |||||
| Часть №. | 708-2L -00790 | |||||
| №1 зубы сплайки солнца | 18 сплайнов | |||||
| Свинг -шестернит зубы | 13 т | |||||
| Условие предмета | Новый | |||||
| Логотип | ФУНТ | |||||
| Вес брутто | - | |||||
| Могил | 1 шт | |||||





| Поступок | ЧАСТЬ НЕТ | QUTY | Имя детали | Комментарии |
|---|---|---|---|---|
| 708-2L -00790 | [1] | Насосная сборка, поршневый комацу | 145 кг. | |
| [ 'SN: 80455-Up '] Аналоги: [ '7082L00600 ', '7082L01600 '] | $ 0. | ||||
| 708-2L-01600 | [1] | Насосная подмазора комацу | 145 кг. | |
| [ 'SN: 80455-Up ', 'SCC: C2 '] Аналоги: [ '7082L00600 ', '7082L00790 '] | $ 1. | ||||
| 708-2L-06440 | [1] | Сборка корпуса, передний комацу | 42,5 кг. | |
| [ 'SN: 80455-Up ', 'SCC: C2 '] Аналоги: [ '7082L31411 '] | $ 2. | ||||
| 3 | 07000-B1009 | [1] | Уплотнительное кольцо Комацу Китай | 0,001 кг. |
| [ 'SN: 80455-Up '] Аналоги: [ '7082L23910 '] | ||||
| 4 | 07044-12412 | [1] | Подключите Komatsu | 0,09 кг. |
| [ 'SN: 80455-Up '] Аналоги: [ '0704402412 ', 'R0704412412 '] | ||||
| 5 | 07002-62434 | [1] | Уплотнительное кольцо Комацу | 0,001 кг. |
| [ 'SN: 80455-Up '] Аналоги: [ '7081W28910 '] | ||||
| 6 | 04530-11222 | [1] | Болт, глаз Комацу | 0,122 кг. |
| [ 'Sn: 80455-up '] | ||||
| 7 | 708-8E-16150 | [3] | Подключите Komatsu | 0,02 кг. |
| [ 'Sn: 80455-up '] | ||||
| 8 | 07002-61023 | [3] | Уплотнительное кольцо Комацу | 0,22 кг. |
| [ 'SN: 80455-Up '] Аналоги: [ '7082L23920 '] | ||||
| Поступок | ЧАСТЬ НЕТ | QUTY | Имя детали | Комментарии |
|---|---|---|---|---|
| 708-2L -00790 | [1] | Насосная сборка, поршневый комацу | 145 кг. | |
| [ 'SN: 80455-Up '] Аналоги: [ '7082L00600 ', '7082L01600 '] | $ 0. | ||||
| 708-2L-01600 | [1] | Насосная подмазора комацу | 145 кг. | |
| [ 'SN: 80455-Up ', 'SCC: C2 '] Аналоги: [ '7082L00600 ', '7082L00790 '] | $ 1. | ||||
| 708-2L-06450 | [1] | Сборка крышки, конец комацу | 32,2 кг. | |
| [ 'SN: 80455-Up ', 'SCC: C2 '] | $ 2. | ||||
| 3 | 708-2L-32260 | [2] | Несущий комацу | 0,2 кг. |
| [ 'SN: 80455-Up ', 'SCC: C2 '] Аналоги: [ '7082L22260 '] | ||||
| 4 | 07000-A5165 | [2] | Уплотнительное кольцо Комацу | 0,018 кг. |
| [ 'SN: 80455-Up ', 'SCC: C2 '] Аналоги: [ '79398073 '] | ||||
| 5 | 04020-01228 | [2] | Булавка, дюбель Комацу | 0,026 кг. |
| [ 'SN: 80455-Up ', 'SCC: C2 '] Аналоги: [ '21t3016190 '] | ||||
| 6 | 07000-B2012 | [11] | Уплотнительное кольцо Комацу Китай | 0,001 кг. |
| [ 'SN: 80455-Up ', 'SCC: C2 '] | ||||
| 7 | 708-2L-25480 | [4] | Фильтр Komatsu OEM | 0,5 кг. |
| [ 'SN: 80455-Up ', 'SCC: C2 '] | ||||
| 8 | 01010-61655 | [8] | Болт Комацу | 0,119 кг. |
| [ 'SN: 80455-Up ', 'SCC: C2 '] Аналоги: [ '801015613 ', '0101031655 ', '0101051655 ', '0101081655 '] | ||||
| 9 | 01643-31645 | [8] | Стиральная машина Комацу | 0,072 кг. |
| [ 'SN: 80455-Up ', 'SCC: C2 '] Аналоги: [ '802170005 ', '0164301645 '] | ||||
| 10 | 708-8E-16150 | [5] | Подключите Komatsu | 0,02 кг. |
| [ 'Sn: 80455-up '] | ||||
| 11 | 07002-61023 | [5] | Уплотнительное кольцо Комацу | 0,22 кг. |
| [ 'SN: 80455-Up '] Аналоги: [ '7082L23920 '] | ||||
| 12 | 708-1L-29340 | [2] | Отверстие комацу | 0,001 кг. |
| [ 'SN: 80455-Up ', 'SCC: C2 '] | ||||
| Поступок | ЧАСТЬ НЕТ | QUTY | Имя детали | Комментарии |
|---|---|---|---|---|
| 708-2L -00790 | [1] | Насосная сборка, поршневый комацу | 145 кг. | |
| [ 'SN: 80455-Up '] Аналоги: [ '7082L00600 ', '7082L01600 '] | $ 0. | ||||
| 708-2L-01600 | [1] | Насосная подмазора комацу | 145 кг. | |
| [ 'SN: 80455-Up ', 'SCC: C2 '] Аналоги: [ '7082L00600 ', '7082L00790 '] | $ 1. | ||||
| 1 | 708-2L-32160 | [1] | Шахта, передний комацу | 3,1 кг. |
| [ 'SN: 80455-Up ', 'SCC: C2 '] | ||||
| 2 | 708-2L-32150 | [1] | Несущий комацу | 0,6 кг. |
| [ 'SN: 80455-Up ', 'SCC: C2 '] Аналоги: [ '7082E12152 ', '7082L22150 ', '7082512731 '] | ||||
| 3 | 708-2E-05040 | [1] | Стиральная комплекта Комацу | 0,101 кг. |
| [ 'SN: 80455-Up ', 'SCC: C2 '] Аналоги: [ '7082E12190 '] | ||||
| 4 | 708-25-12790 | [1] | Кольцо, Snap Komatsu | 0,006 кг. |
| [ 'SN: 80455-Up ', 'SCC: C2 '] | ||||
| 5 | 708-25-52861 | [1] | Печать, нефтяной комацу Китай | 0,078 кг. |
| [ 'SN: 80455-Up '] Аналоги: [ '7082552860 ', '7067340920 '] | ||||
| 6 | 708-2L-22160 | [1] | Спейсер Комацу | 0,047 кг. |
| [ 'Sn: 80455-up '] | ||||
| 7 | 04065-06825 | [1] | Кольцо, Snap Komatsu | 0,018 кг. |
| [ 'Sn: 80455-up '] | ||||
| 708-2L-06470 | [1] | Блок в сборе, передний комацу | 5,26 кг. | |
| [ 'SN: 80455-Up ', 'SCC: C2 '] | $ 13. | ||||
| 10 | 720-68-19610 | [1] | Приколоть комацу | 0,002 кг. |
| [ 'SN: 80455-Up ', 'SCC: C2 '] | ||||
| 11 | 04065-04818 | [1] | Кольцо, Snap Komatsu OEM | 0,007 кг. |
| [ 'SN: 80455-Up ', 'SCC: C2 '] | ||||
| 12 | 708-2L-23131 | [1] | Сиденье Комацу | 0,073 кг. |
| [ 'SN: 80455-Up ', 'SCC: C2 '] | ||||
| 13 | 708-2L-33160 | [1] | Весна Комацу | 0,12 кг. |
| [ 'SN: 80455-Up ', 'SCC: C2 '] Аналоги: [ '7082L23151 '] | ||||
| 14 | 708-7L-13140 | [1] | Сиденье Комацу | 0,02 кг. |
| [ 'SN: 80455-Up ', 'SCC: C2 '] | ||||
| 15 | 708-2L-23351 | [1] | Гид, фиксатор Komatsu OEM | 0,14 кг. |
| [ 'SN: 80455-Up ', 'SCC: C2 '] | ||||
| 16 | 708-2L-23360 | [3] | Приколоть комацу | 0,003 кг. |
| [ 'SN: 80455-Up ', 'SCC: C2 '] | ||||
| 17 | 708-2L-33350 | [1] | СОЕДИНСТВА, SHOUE KOMATSU | 0,3 кг. |
| [ 'SN: 80455-Up ', 'SCC: C2 '] | ||||
| 18 | 708-2L-33430 | [9] | Поршневая подмазора Комацу | 0,209 кг. |
| [ 'SN: 80455-Up ', 'SCC: C2 '] | ||||
| 708-2L-06630 | [1] | Колыбельная сборка Комацу | 4,3 кг. | |
| [ 'SN: 80455-Up ', 'SCC: C2 '] | $ 25. | ||||
| 21 | 04020-01228 | [1] | Булавка, дюбель Комацу | 0,026 кг. |
| [ 'SN: 80455-Up ', 'SCC: C2 '] Аналоги: [ '21t3016190 '] | ||||
| 22 | 01252-61230 | [4] | Болт, шестигранная гнезда головка Комацу | 0,044 кг. |
| [ 'SN: 80455-Up ', 'SCC: C2 '] | ||||

| Поступок | ЧАСТЬ НЕТ | QUTY | Имя детали | Комментарии |
|---|---|---|---|---|
| 708-2L -00790 | [1] | Насосная сборка, поршневый комацу | 145 кг. | |
| [ 'SN: 80455-Up '] Аналоги: [ '7082L00600 ', '7082L01600 '] | $ 0. | ||||
| 708-2L-01600 | [1] | Насосная подмазора комацу | 145 кг. | |
| [ 'SN: 80455-Up ', 'SCC: C2 '] Аналоги: [ '7082L00600 ', '7082L00790 '] | $ 1. | ||||
| 1 | 708-2L-34180 | [1] | Слайдер Комацу | 0,23 кг. |
| [ 'SN: 80455-Up ', 'SCC: C2 '] | ||||
| 1 | 708-2L-06680 | [1] | Ассамблея клапана Komatsu China | |
| [ 'SN: 80455-Up ', 'SCC: C2 '] | ||||
| 1 | 708-2L-06660 | [1] | Поршневая сборка Комацу | 0,000 кг. |
| [ 'SN: 80455-Up ', 'SCC: C2 '] | ||||
| 6 | 708-2L-35760 | [1] | Ball Komatsu | 0,001 кг. |
| [ 'SN: 80455-Up ', 'SCC: C2 '] | ||||
| 7 | 708-2L-35770 | [1] | Подключите Komatsu | 0,005 кг. |
| [ 'SN: 80455-Up ', 'SCC: C2 '] | ||||
| 9 | 708-2L-35280 | [1] | Приколоть комацу | 0,01 кг. |
| [ 'SN: 80455-Up ', 'SCC: C2 '] | ||||
| 10 | 708-2L-35860 | [1] | Spool Komatsu | 0,03 кг. |
| [ 'SN: 80455-Up ', 'SCC: C2 '] | ||||
| 11 | 708-2L-35630 | [1] | Сдержан Комацу | 0,22 кг. |
| [ 'SN: 80455-Up ', 'SCC: C2 '] | ||||
| 12 | 708-2L-35641 | [1] | Сиденье Комацу | 0,01 кг. |
| [ 'SN: 80455-Up ', 'SCC: C2 '] | ||||
| 13 | 708-2L-35240 | [1] | Весна Комацу | 0,01 кг. |
| [ 'SN: 80455-Up ', 'SCC: C2 '] | ||||
| 14 | 708-2L-35730 | [1] | Весна Комацу Китай | |
| [ 'SN: 80455-Up ', 'SCC: C2 '] | ||||
| 15 | 708-2L-35650 | [1] | Сиденье Комацу | 0,01 кг. |
| [ 'SN: 80455-Up ', 'SCC: C2 '] | ||||
| 16 | 708-2L-35250 | [1] | Весна Комацу Китай | |
| [ 'SN: 80455-Up ', 'SCC: C2 '] | ||||
| 18 | 07000-B3034 | [1] | Уплотнительное кольцо Комацу | 0,002 кг. |
| [ 'SN: 80455-Up ', 'SCC: C2 '] | ||||
| 19 | 708-2L-35210 | [1] | Кольцо, резервный комацу | 0,001 кг. |
| [ 'SN: 80455-Up ', 'SCC: C2 '] | ||||
| 21 | 708-2L-35270 | [1] | Подключите Komatsu | 0,04 кг. |
| [ 'SN: 80455-Up ', 'SCC: C2 '] | ||||
| 22 | 07000-B2011 | [1] | Уплотнительное кольцо Комацу | 0,001 кг. |
| [ 'SN: 80455-Up ', 'SCC: C2 '] | ||||
| 23 | 07000-B3045 | [1] | Уплотнительное кольцо Комацу | 0,002 кг. |
| [ 'SN: 80455-Up ', 'SCC: C2 '] | ||||
| 24 | 708-2L-35750 | [1] | Кольцо, резервный комацу | 0,001 кг. |
| [ 'SN: 80455-Up ', 'SCC: C2 '] | ||||
| 25 | 708-2L-34310 | [1] | Покрыть Komatsu China | |
| [ 'SN: 80455-Up ', 'SCC: C2 '] | ||||
| 26 | 01580-10806 | [1] | Ореховый комацу | 0,005 кг. |
| [ 'SN: 80455-Up ', 'SCC: C2 '] Аналоги: [ '801920104 '] | ||||
| 27 | 708-2L-35290 | [1] | Ореховый комацу | 0,12 кг. |
| [ 'SN: 80455-Up ', 'SCC: C2 '] | ||||
| 28 | 708-2L-35670 | [1] | Кольцо, проволочный комацу | 0,01 кг. |
| [ 'SN: 80455-Up ', 'SCC: C2 '] | ||||
| 29 | 01252-61440 | [4] | Болт, шестигранный гнездо головы Komatsu China | |
| [ 'SN: 80455-Up ', 'SCC: C2 '] Аналоги: [ '0125231440 '] | ||||
| Поступок | ЧАСТЬ НЕТ | QUTY | Имя детали | Комментарии |
|---|---|---|---|---|
| 708-2L -00790 | [1] | Насосная сборка, поршневый комацу | 145 кг. | |
| [ 'SN: 80455-Up '] Аналоги: [ '7082L00600 ', '7082L01600 '] | $ 0. | ||||
| 708-2L-01600 | [1] | Насосная подмазора комацу | 145 кг. | |
| [ 'SN: 80455-Up ', 'SCC: C2 '] Аналоги: [ '7082L00600 ', '7082L00790 '] | $ 1. | ||||
| 708-2L-06670 | [1] | Крышка сборки Komatsu China | ||
| [ 'SN: 80455-Up ', 'SCC: C2 '] | $ 2. | ||||
| 1 | 708-2L-34340 | [1] | Винт Комацу | 0,000 кг. |
| [ 'SN: 80455-Up ', 'SCC: C2 '] | ||||
| 2 | 07000-B3034 | [1] | Уплотнительное кольцо Комацу | 0,002 кг. |
| [ 'SN: 80455-Up ', 'SCC: C2 '] | ||||
| 3 | 708-2L-35210 | [1] | Кольцо, резервный комацу | 0,001 кг. |
| [ 'SN: 80455-Up ', 'SCC: C2 '] | ||||
| 4 | 708-2L-35290 | [1] | Ореховый комацу | 0,12 кг. |
| [ 'SN: 80455-Up ', 'SCC: C2 '] | ||||
| 5 | 708-2L-34320 | [1] | Покрыть комацу | 0,000 кг. |
| [ 'SN: 80455-Up ', 'SCC: C2 '] | ||||
| 6 | 07000-B3045 | [1] | Уплотнительное кольцо Комацу | 0,002 кг. |
| [ 'SN: 80455-Up ', 'SCC: C2 '] | ||||
| 7 | 708-2L-35750 | [1] | Кольцо, резервный комацу | 0,001 кг. |
| [ 'SN: 80455-Up ', 'SCC: C2 '] | ||||
| 8 | 01252-61440 | [4] | Болт, шестигранный гнездо головы Komatsu China | |
| [ 'SN: 80455-Up ', 'SCC: C2 '] Аналоги: [ '0125231440 '] | ||||

| Поступок | ЧАСТЬ НЕТ | QUTY | Имя детали | Комментарии |
|---|---|---|---|---|
| 708-2L -00790 | [1] | Насосная сборка, поршневый комацу | 145 кг. | |
| [ 'SN: 80455-Up '] Аналоги: [ '7082L00600 ', '7082L01600 '] | $ 0. | ||||
| 708-2L-01600 | [1] | Насосная подмазора комацу | 145 кг. | |
| [ 'SN: 80455-Up ', 'SCC: C2 '] Аналоги: [ '7082L00600 ', '7082L00790 '] | $ 1. | ||||
| 708-2L-06460 | [1] | Сборка корпуса, задний комацу | 0,000 кг. | |
| [ 'SN: 80455-Up ', 'SCC: C2 '] Аналоги: [ '7082L31430 '] | $ 2. | ||||
| 3 | 07000-B1009 | [1] | Уплотнительное кольцо Комацу Китай | 0,001 кг. |
| [ 'SN: 80455-Up ', 'SCC: C2 '] Аналоги: [ '7082L23910 '] | ||||
| 4 | 07044-12412 | [1] | Подключите Komatsu | 0,09 кг. |
| [ 'SN: 80455-Up '] Аналоги: [ '0704402412 ', 'R0704412412 '] | ||||
| 5 | 07002-62434 | [1] | Уплотнительное кольцо Комацу | 0,001 кг. |
| [ 'SN: 80455-Up '] Аналоги: [ '7081W28910 '] | ||||
| 6 | 04530-11222 | [1] | Болт, глаз Комацу | 0,122 кг. |
| [ 'Sn: 80455-up '] | ||||
| 7 | 20B-27-11210 | [1] | Bleeder Komatsu | 0,02 кг. |
| [ 'Sn: 80455-up '] | ||||
| 8 | 708-8E-16150 | [2] | Подключите Komatsu | 0,02 кг. |
| [ 'Sn: 80455-up '] | ||||
| 9 | 07002-61023 | [2] | Уплотнительное кольцо Комацу | 0,22 кг. |
| [ 'SN: 80455-Up '] Аналоги: [ '7082L23920 '] | ||||
| 10 | 07040-12414 | [2] | Подключите Komatsu | 0,092 кг. |
| [ 'SN: 80455-Up '] Аналоги: [ '0704002412 ', '0704012412 '] | ||||
| Поступок | ЧАСТЬ НЕТ | QUTY | Имя детали | Комментарии |
|---|---|---|---|---|
| 708-2L -00790 | [1] | Насосная сборка, поршневый комацу | 145 кг. | |
| [ 'SN: 80455-Up '] Аналоги: [ '7082L00600 ', '7082L01600 '] | $ 0. | ||||
| 708-2L-01600 | [1] | Насосная подмазора комацу | 145 кг. | |
| [ 'SN: 80455-Up ', 'SCC: C2 '] Аналоги: [ '7082L00600 ', '7082L00790 '] | $ 1. | ||||
| 1 | 708-2L-32170 | [1] | Вал, задний комацу | 2,1 кг. |
| [ 'SN: 80455-Up ', 'SCC: C2 '] | ||||
| 2 | 708-2L-32150 | [1] | Несущий комацу | 0,6 кг. |
| [ 'SN: 80455-Up ', 'SCC: C2 '] Аналоги: [ '7082E12152 ', '7082L22150 ', '7082512731 '] | ||||
| 3 | 708-2E-05040 | [1] | Стиральная комплекта Комацу | 0,101 кг. |
| [ 'SN: 80455-Up ', 'SCC: C2 '] Аналоги: [ '7082E12190 '] | ||||
| 4 | 708-25-12790 | [1] | Кольцо, Snap Komatsu | 0,006 кг. |
| [ 'SN: 80455-Up ', 'SCC: C2 '] | ||||
| 708-2L-06480 | [1] | Блок в сборе, задний комацу | 5,26 кг. | |
| [ 'SN: 80455-Up ', 'SCC: C2 '] | $ 10. | ||||
| 7 | 720-68-19610 | [1] | Приколоть комацу | 0,002 кг. |
| [ 'SN: 80455-Up ', 'SCC: C2 '] | ||||
| 8 | 04065-04818 | [1] | Кольцо, Snap Komatsu OEM | 0,007 кг. |
| [ 'SN: 80455-Up ', 'SCC: C2 '] | ||||
| 9 | 708-2L-23131 | [1] | Сиденье Комацу | 0,073 кг. |
| [ 'SN: 80455-Up ', 'SCC: C2 '] | ||||
| 10 | 708-2L-33160 | [1] | Весна Комацу | 0,12 кг. |
| [ 'SN: 80455-Up ', 'SCC: C2 '] Аналоги: [ '7082L23151 '] | ||||
| 11 | 708-7L-13140 | [1] | Сиденье Комацу | 0,02 кг. |
| [ 'SN: 80455-Up ', 'SCC: C2 '] | ||||
| 12 | 708-2L-23351 | [1] | Гид, фиксатор Komatsu OEM | 0,14 кг. |
| [ 'SN: 80455-Up ', 'SCC: C2 '] | ||||
| 13 | 708-2L-23360 | [3] | Приколоть комацу | 0,003 кг. |
| [ 'SN: 80455-Up ', 'SCC: C2 '] | ||||
| 14 | 708-2L-33350 | [1] | СОЕДИНСТВА, SHOUE KOMATSU | 0,3 кг. |
| [ 'SN: 80455-Up ', 'SCC: C2 '] | ||||
| 15 | 708-2L-33430 | [9] | Поршневая подмазора Комацу | 0,209 кг. |
| [ 'SN: 80455-Up ', 'SCC: C2 '] | ||||
| 708-2L-06630 | [1] | Колыбельная сборка Комацу | 4,3 кг. | |
| [ 'SN: 80455-Up ', 'SCC: C2 '] | $ 22. | ||||
| 18 | 04020-01228 | [1] | Булавка, дюбель Комацу | 0,026 кг. |
| [ 'SN: 80455-Up ', 'SCC: C2 '] Аналоги: [ '21t3016190 '] | ||||
| 19 | 01252-61230 | [4] | Болт, шестигранная гнезда головка Комацу | 0,044 кг. |
| [ 'SN: 80455-Up ', 'SCC: C2 '] | ||||
| Поступок | ЧАСТЬ НЕТ | QUTY | Имя детали | Комментарии |
|---|---|---|---|---|
| 708-2L -00790 | [1] | Насосная сборка, поршневый комацу | 145 кг. | |
| [ 'SN: 80455-Up '] Аналоги: [ '7082L00600 ', '7082L01600 '] | $ 0. | ||||
| 708-2L-01600 | [1] | Насосная подмазора комацу | 145 кг. | |
| [ 'SN: 80455-Up ', 'SCC: C2 '] Аналоги: [ '7082L00600 ', '7082L00790 '] | $ 1. | ||||
| 1 | 708-2L-34180 | [1] | Слайдер Комацу | 0,23 кг. |
| [ 'SN: 80455-Up ', 'SCC: C2 '] | ||||
| 1 | 708-2L-06680 | [1] | Ассамблея клапана Komatsu China | |
| [ 'SN: 80455-Up ', 'SCC: C2 '] | ||||
| 1 | 708-2L-06660 | [1] | Поршневая сборка, серво -комацу | 0,000 кг. |
| [ 'SN: 80455-Up ', 'SCC: C2 '] | ||||
| 6 | 708-2L-35760 | [1] | Ball Komatsu | 0,001 кг. |
| [ 'SN: 80455-Up ', 'SCC: C2 '] | ||||
| 7 | 708-2L-35770 | [1] | Подключите Komatsu | 0,005 кг. |
| [ 'SN: 80455-Up ', 'SCC: C2 '] | ||||
| 9 | 708-2L-35280 | [1] | Приколоть комацу | 0,01 кг. |
| [ 'SN: 80455-Up ', 'SCC: C2 '] | ||||
| 10 | 708-2L-35860 | [1] | Spool Komatsu | 0,03 кг. |
| [ 'SN: 80455-Up ', 'SCC: C2 '] | ||||
| 11 | 708-2L-35630 | [1] | Сдержан Комацу | 0,22 кг. |
| [ 'SN: 80455-Up ', 'SCC: C2 '] | ||||
| 12 | 708-2L-35641 | [1] | Сиденье Комацу | 0,01 кг. |
| [ 'SN: 80455-Up ', 'SCC: C2 '] | ||||
| 13 | 708-2L-35240 | [1] | Весна Комацу | 0,01 кг. |
| [ 'SN: 80455-Up ', 'SCC: C2 '] | ||||
| 14 | 708-2L-35730 | [1] | Весна Комацу Китай | |
| [ 'SN: 80455-Up ', 'SCC: C2 '] | ||||
| 15 | 708-2L-35650 | [1] | Сиденье Комацу | 0,01 кг. |
| [ 'SN: 80455-Up ', 'SCC: C2 '] | ||||
| 16 | 708-2L-35250 | [1] | Весна Комацу Китай | |
| [ 'SN: 80455-Up ', 'SCC: C2 '] | ||||
| 18 | 07000-B3034 | [1] | Уплотнительное кольцо Комацу | 0,002 кг. |
| [ 'SN: 80455-Up ', 'SCC: C2 '] | ||||
| 19 | 708-2L-35210 | [1] | Кольцо, резервный комацу | 0,001 кг. |
| [ 'SN: 80455-Up ', 'SCC: C2 '] | ||||
| 21 | 708-2L-35270 | [1] | Подключите Komatsu | 0,04 кг. |
| [ 'SN: 80455-Up ', 'SCC: C2 '] | ||||
| 22 | 07000-B2011 | [1] | Уплотнительное кольцо Комацу | 0,001 кг. |
| [ 'SN: 80455-Up ', 'SCC: C2 '] | ||||
| 23 | 07000-B3045 | [1] | Уплотнительное кольцо Комацу | 0,002 кг. |
| [ 'SN: 80455-Up ', 'SCC: C2 '] | ||||
| 24 | 708-2L-35750 | [1] | Кольцо, резервный комацу | 0,001 кг. |
| [ 'SN: 80455-Up ', 'SCC: C2 '] | ||||
| 25 | 708-2L-34310 | [1] | Покрыть Komatsu China | |
| [ 'SN: 80455-Up ', 'SCC: C2 '] | ||||
| 26 | 01580-10806 | [1] | Ореховый комацу | 0,005 кг. |
| [ 'SN: 80455-Up ', 'SCC: C2 '] Аналоги: [ '801920104 '] | ||||
| 27 | 708-2L-35290 | [1] | Ореховый комацу | 0,12 кг. |
| [ 'SN: 80455-Up ', 'SCC: C2 '] | ||||
| 28 | 708-2L-35670 | [1] | Кольцо, проволочный комацу | 0,01 кг. |
| [ 'SN: 80455-Up ', 'SCC: C2 '] | ||||
| 29 | 01252-61440 | [4] | Болт, шестигранный гнездо головы Komatsu China | |
| [ 'SN: 80455-Up ', 'SCC: C2 '] Аналоги: [ '0125231440 '] | ||||
| Поступок | ЧАСТЬ НЕТ | QUTY | Имя детали | Комментарии |
|---|---|---|---|---|
| 708-2L -00790 | [1] | Насосная сборка, поршневый комацу | 145 кг. | |
| [ 'SN: 80455-Up '] Аналоги: [ '7082L00600 ', '7082L01600 '] | $ 0. | ||||
| 708-2L-01600 | [1] | Насосная подмазора комацу | 145 кг. | |
| [ 'SN: 80455-Up ', 'SCC: C2 '] Аналоги: [ '7082L00600 ', '7082L00790 '] | $ 1. | ||||
| 708-2L-06670 | [1] | Крышка сборки Komatsu China | ||
| [ 'SN: 80455-Up ', 'SCC: C2 '] | $ 2. | ||||
| 1 | 708-2L-34340 | [1] | Винт Комацу | 0,000 кг. |
| [ 'SN: 80455-Up ', 'SCC: C2 '] | ||||
| 2 | 07000-B3034 | [1] | Уплотнительное кольцо Комацу | 0,002 кг. |
| [ 'SN: 80455-Up ', 'SCC: C2 '] | ||||
| 3 | 708-2L-35210 | [1] | Кольцо, резервный комацу | 0,001 кг. |
| [ 'SN: 80455-Up ', 'SCC: C2 '] | ||||
| 4 | 708-2L-35290 | [1] | Ореховый комацу | 0,12 кг. |
| [ 'SN: 80455-Up ', 'SCC: C2 '] | ||||
| 5 | 708-2L-34320 | [1] | Покрыть комацу | 0,000 кг. |
| [ 'SN: 80455-Up ', 'SCC: C2 '] | ||||
| 6 | 07000-B3045 | [1] | Уплотнительное кольцо Комацу | 0,002 кг. |
| [ 'SN: 80455-Up ', 'SCC: C2 '] | ||||
| 7 | 708-2L-35750 | [1] | Кольцо, резервный комацу | 0,001 кг. |
| [ 'SN: 80455-Up ', 'SCC: C2 '] | ||||
| 8 | 01252-61440 | [4] | Болт, шестигранный гнездо головы Komatsu China | |
| [ 'SN: 80455-Up ', 'SCC: C2 '] Аналоги: [ '0125231440 '] | ||||
| 9 | 708-2L-32180 | [1] | Связывание комацу | 0,38 кг. |
| [ 'SN: 80455-Up ', 'SCC: C2 '] | ||||
| 10 | 708-2L-32190 | [1] | Кольцо Комацу Китай | |
| [ 'SN: 80455-Up ', 'SCC: C2 '] | ||||
| Поступок | ЧАСТЬ НЕТ | QUTY | Имя детали | Комментарии |
|---|---|---|---|---|
| 708-2L -00790 | [1] | Насосная сборка, поршневый комацу | 145 кг. | |
| [ 'SN: 80455-Up '] Аналоги: [ '7082L00600 ', '7082L01600 '] | $ 0. | ||||
| 708-2L-07710 | [2] | Клапан сборка Комацу | 0,000 кг. | |
| [ 'SN: 80455-UP '] | $ 1. | ||||
| 3 | 708-2L-35430 | [1] | Spool Komatsu China | |
| [ 'SN: 80455-Up ', 'SCC: C2 '] | ||||
| 4 | 708-2L-28540 | [1] | Поршень комацу | 0,01 кг. |
| [ 'SN: 80455-Up ', 'SCC: C2 '] | ||||
| 5 | 708-2L-35360 | [1] | Рукав комацу | 0,04 кг. |
| [ 'SN: 80455-Up ', 'SCC: C2 '] | ||||
| 6 | 708-2L-35331 | [1] | Сиденье Комацу | 0,01 кг. |
| [ 'SN: 80455-Up ', 'SCC: C2 '] | ||||
| 7 | 708-2L-35880 | [1] | Весна Комацу Китай | |
| [ 'SN: 80455-Up ', 'SCC: C2 '] | ||||
| 8 | 708-2L-35341 | [1] | Сиденье Комацу | 0,001 кг. |
| [ 'SN: 80455-Up ', 'SCC: C2 '] | ||||
| 9 | 708-2L-35351 | [1] | Подключите Komatsu | 0,04 кг. |
| [ 'SN: 80455-Up ', 'SCC: C2 '] | ||||
| 10 | 07000-B1009 | [1] | Уплотнительное кольцо Комацу Китай | 0,001 кг. |
| [ 'SN: 80455-Up ', 'SCC: C2 '] Аналоги: [ '7082L23910 '] | ||||
| 11 | 07001-01009 | [1] | Кольцо, резервный комацу | 0,001 кг. |
| [ 'SN: 80455-Up ', 'SCC: C2 '] | ||||
| 12 | 01583-11408 | [1] | Ореховый комацу | 0,4 кг. |
| [ 'SN: 80455-Up ', 'SCC: C2 '] Аналоги: [ '801713411 '] | ||||
| 13 | 07002-62434 | [1] | Уплотнительное кольцо Комацу | 0,001 кг. |
| [ 'SN: 80455-Up ', 'SCC: C2 '] Аналоги: [ '7081W28910 '] | ||||
| Поступок | ЧАСТЬ НЕТ | QUTY | Имя детали | Комментарии |
|---|---|---|---|---|
| 708-2L -00790 | [1] | Насосная сборка, поршневый комацу | 145 кг. | |
| [ 'SN: 80455-Up '] Аналоги: [ '7082L00600 ', '7082L01600 '] | $ 0. | ||||
| 1 | 702-21-57400 | [1] | Клапан, пилот komatsu OEM | 0,442 кг. |
| [ 'SN: 80455-Up '] Аналоги: [ '7022155901 '] | ||||
| 2 | 700-80-61260 | [1] | Уплотнительное кольцо Комацу | 0,006 кг. |
| [ 'Sn: 80455-up '] | ||||
| 3 | 723-11-19960 | [1] | Уплотнительное кольцо Комацу | 0,001 кг. |
| [ 'Sn: 80455-up '] | ||||
| 4 | 702-21-54180 | [2] | Винт Комацу Китай | |
| [ 'Sn: 80455-up '] | ||||
| 5 | 702-21-54910 | [2] | Уплотнительное кольцо Комацу | 0,001 кг. |
| [ 'Sn: 80455-up '] | ||||
| 6 | 01252-60635 | [2] | Болт, шестигранная гнезда головка Комацу | 0,011 кг. |
| [ 'Sn: 80455-up '] | ||||
| 7 | 20y-62-22790 | [1] | Полоса, красный комацу | 0,001 кг. |
| [ 'Sn: 80455-up '] | ||||
| 14 | 20y-62-22830 | [1] | Полоса, белый комацу | 0,001 кг. |
| [ 'Sn: 80455-up '] | ||||
| 21 | 20y-62-22810 | [1] | Полоса, желтый комацу | 0,001 кг. |
| [ 'Sn: 80455-up '] | ||||
| 22 | 708-2L-35941 | [2] | Подключите Komatsu | 0,05 кг. |
| [ 'SN: 80455-Up ', 'SCC: C2 '] | ||||
| 23 | 07000-B1008 | [2] | Уплотнительное кольцо Комацу | 0,001 кг. |
| [ 'Sn: 80455-up '] | ||||
| 24 | 07001-01008 | [4] | Кольцо, резервный комацу | 0,001 кг. |
| [ 'Sn: 80455-up '] | ||||
| 25 | 07002-61423 | [2] | Уплотнительное кольцо Комацу | 0,001 кг. |
| [ 'SN: 80455-Up '] Аналоги: [ '7082L23950 '] | ||||