Позвони нам сейчас
Стационарная линия: +86-750-6688281
Телефон: +86-13392072868
Телефон: +86-13302589039
| штат: | |
|---|---|
| Количество: | |
| P Art название | Главный насос EC200D | |||||
| Оборудование | Применить к экскаватору Volvo | |||||
| Часть №. | ВОЭ14715508 | |||||
| Кадрские отверстия | / | |||||
| Порывы звезд | / | |||||
| Условие предмета | Новый | |||||
| Логотип | ФУНТ | |||||
| Вес брутто | / | |||||
| Могил | 1 шт | |||||






| Поступок | ЧАСТЬ НЕТ | QUTY | Имя детали | Комментарии |
|---|---|---|---|---|
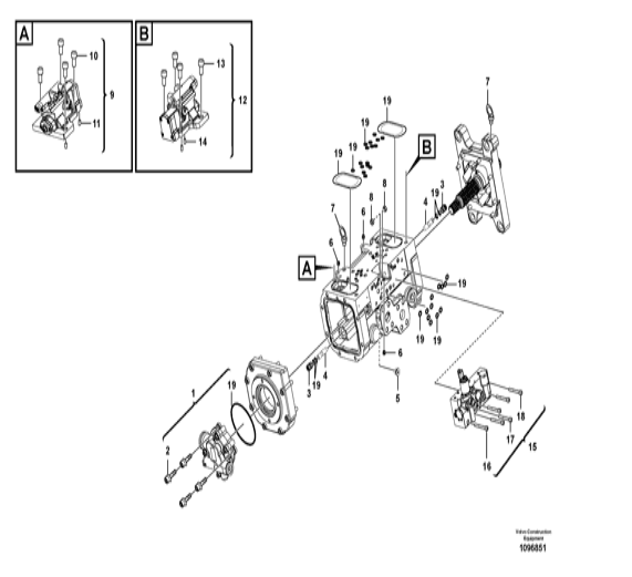
| ВОЭ14715508 | [1] | Насос | ||
| 1 | ВОЭ14736197 | [4] | Болт | |
| 2 | ВОЭ14736195 | [1] | Уплотнительная крышка | |
| 3 | ВОЭ14736196 | [1] | Тюлень | |
| 4 | ВОЭ14736198 | [1] | Проставка | |
| 5 | ВОЭ14736173 | [1] | Корпус насоса | |
| 6 | ВОЭ14736175 | [16] | Болт | |
| 7 | ВОЭ14736172 | [2] | Игольчатый подшипник | |
| 8 | ВОЭ14736177 | [2] | Несущий | |
| 9 | ВОЭ14736178 | [2] | Несущий | |
| 10 | ВОЭ14736176 | [4] | Болт | |
| 11 | ВОЭ14736141 | [1] | Вал | |
| 12 | ВОЭ14736179 | [1] | Тарелка | |
| 13 | ВОЭ14736191 | [1] | Рукав | |
| 14 | ВОЭ14736192 | [1] | Распорная пластина | |
| 15 | ВОЭ14736193 | [1] | Цилиндр | |
| 16 | ВОЭ14736222 | [9] | Поршень | |
| 17 | ВОЭ14728416 | [1] | Фиксатор | |
| 18 | ВОЭ14728268 | [1] | Втулка | |
| 19 | ВОЭ14728269 | [9] | Весна | |
| 20 | ВОЭ14736131 | [2] | Игольчатый подшипник | |
| 21 | ВОЭ14736132 | [1] | Муфта вала | |
| 22 | ВОЭ14736133 | [2] | Стопорный штифт | |
| 23 | ВОЭ14736174 | [2] | Стопорный штифт | |
| 24 | ВОЭ14736135 | [2] | Поршень клапана | |
| 25 | ВОЭ14736137 | [2] | Направляющая клапана | |
| 26 | ВОЭ14736140 | [2] | Затыкать | |
| 27 | ВОЭ14736138 | [2] | Шестигранная гайка | |
| 28 | ВОЭ14736139 | [1] | Затыкать | |
| 29 | ВОЭ14736194 | [1] | Цилиндр | |
| 30 | ВОЭ14736222 | [9] | Поршень | |
| 31 | ВОЭ14728416 | [1] | Фиксатор | |
| 32 | ВОЭ14728268 | [1] | Втулка | |
| 33. | ВОЭ14728269 | [9] | Весна | |
| 34 | ВОЭ14736190 | [1] | Тарелка | |
| 35 | ВОЭ14736191 | [1] | Рукав | |
| 36 | ВОЭ14736192 | [1] | Распорная пластина | |
| 37 | ВОЭ14736200 | [1] | Вал | |
| 38 | ВОЭ14736199 | [1] | Корпус насоса | |
| 39 | ВОЭ14736221 | [1] | Перепечный комплект |
| Поступок | ЧАСТЬ НЕТ | QUTY | Имя детали | Комментарии |
|---|---|---|---|---|
| ВОЭ14715508 | [1] | Насос | ||
| 1 | ВОЭ14736220 | [1] | Шестеренчатый насос | |
| 2 | ВОЭ14736216 | [4] | Болт | |
| 3 | ВОЭ14736134 | [2] | Поршень клапана | |
| 4 | ВОЭ14736136 | [2] | Направляющая клапана | |
| 5 | ВОЭ14736140 | [1] | Затыкать | |
| 6 | ВОЭ14622061 | [4] | Затыкать | |
| 7 | ВОЭ14623509 | [2] | Рым-болт | |
| 8 | ВОЭ14736138 | [2] | Шестигранная гайка | |
| 9 | ВОЭ14736218 | [1] | Регулятор давления | |
| 10 | ВОЭ14736215 | [4] | Болт | |
| 11 | ВОЭ14736219 | [2] | Стопорный штифт | |
| 12 | ВОЭ14736217 | [1] | Регулятор давления | |
| 13 | ВОЭ14736215 | [4] | Болт | |
| 14 | ВОЭ14736219 | [2] | Стопорный штифт | |
| 15 | ВОЭ14736201 | [1] | Регулирующий клапан | |
| 16 | ВОЭ14736213 | [1] | Болт | |
| 17 | ВОЭ14736212 | [1] | Болт | |
| 18 | ВОЭ14736214 | [4] | Болт | |
| 19 | ВОЭ14736221 | [1] | Перепечный комплект |
| Поступок | ЧАСТЬ НЕТ | QUTY | Имя детали | Комментарии |
|---|---|---|---|---|
| 1 | ВОЭ14715508 | [1] | Насос | |
| 2 | VOE60110299 | [4] | Шайтика | |
| 3 | ВОЭ60113534 | [4] | Гекс. Винт розетка |
| P Art название | Главный насос EC200D | |||||
| Оборудование | Применить к экскаватору Volvo | |||||
| Часть №. | ВОЭ14715508 | |||||
| Кадрские отверстия | / | |||||
| Порывы звезд | / | |||||
| Условие предмета | Новый | |||||
| Логотип | ФУНТ | |||||
| Вес брутто | / | |||||
| Могил | 1 шт | |||||






| Поступок | ЧАСТЬ НЕТ | QUTY | Имя детали | Комментарии |
|---|---|---|---|---|
| ВОЭ14715508 | [1] | Насос | ||
| 1 | ВОЭ14736197 | [4] | Болт | |
| 2 | ВОЭ14736195 | [1] | Уплотнительная крышка | |
| 3 | ВОЭ14736196 | [1] | Тюлень | |
| 4 | ВОЭ14736198 | [1] | Проставка | |
| 5 | ВОЭ14736173 | [1] | Корпус насоса | |
| 6 | ВОЭ14736175 | [16] | Болт | |
| 7 | ВОЭ14736172 | [2] | Игольчатый подшипник | |
| 8 | ВОЭ14736177 | [2] | Несущий | |
| 9 | ВОЭ14736178 | [2] | Несущий | |
| 10 | ВОЭ14736176 | [4] | Болт | |
| 11 | ВОЭ14736141 | [1] | Вал | |
| 12 | ВОЭ14736179 | [1] | Тарелка | |
| 13 | ВОЭ14736191 | [1] | Рукав | |
| 14 | ВОЭ14736192 | [1] | Распорная пластина | |
| 15 | ВОЭ14736193 | [1] | Цилиндр | |
| 16 | ВОЭ14736222 | [9] | Поршень | |
| 17 | ВОЭ14728416 | [1] | Фиксатор | |
| 18 | ВОЭ14728268 | [1] | Втулка | |
| 19 | ВОЭ14728269 | [9] | Весна | |
| 20 | ВОЭ14736131 | [2] | Игольчатый подшипник | |
| 21 | ВОЭ14736132 | [1] | Муфта вала | |
| 22 | ВОЭ14736133 | [2] | Стопорный штифт | |
| 23 | ВОЭ14736174 | [2] | Стопорный штифт | |
| 24 | ВОЭ14736135 | [2] | Поршень клапана | |
| 25 | ВОЭ14736137 | [2] | Направляющая клапана | |
| 26 | ВОЭ14736140 | [2] | Затыкать | |
| 27 | ВОЭ14736138 | [2] | Шестигранная гайка | |
| 28 | ВОЭ14736139 | [1] | Затыкать | |
| 29 | ВОЭ14736194 | [1] | Цилиндр | |
| 30 | ВОЭ14736222 | [9] | Поршень | |
| 31 | ВОЭ14728416 | [1] | Фиксатор | |
| 32 | ВОЭ14728268 | [1] | Втулка | |
| 33. | ВОЭ14728269 | [9] | Весна | |
| 34 | ВОЭ14736190 | [1] | Тарелка | |
| 35 | ВОЭ14736191 | [1] | Рукав | |
| 36 | ВОЭ14736192 | [1] | Распорная пластина | |
| 37 | ВОЭ14736200 | [1] | Вал | |
| 38 | ВОЭ14736199 | [1] | Корпус насоса | |
| 39 | ВОЭ14736221 | [1] | Перепечный комплект |
| Поступок | ЧАСТЬ НЕТ | QUTY | Имя детали | Комментарии |
|---|---|---|---|---|
| ВОЭ14715508 | [1] | Насос | ||
| 1 | ВОЭ14736220 | [1] | Шестеренчатый насос | |
| 2 | ВОЭ14736216 | [4] | Болт | |
| 3 | ВОЭ14736134 | [2] | Поршень клапана | |
| 4 | ВОЭ14736136 | [2] | Направляющая клапана | |
| 5 | ВОЭ14736140 | [1] | Затыкать | |
| 6 | ВОЭ14622061 | [4] | Затыкать | |
| 7 | ВОЭ14623509 | [2] | Рым-болт | |
| 8 | ВОЭ14736138 | [2] | Шестигранная гайка | |
| 9 | ВОЭ14736218 | [1] | Регулятор давления | |
| 10 | ВОЭ14736215 | [4] | Болт | |
| 11 | ВОЭ14736219 | [2] | Стопорный штифт | |
| 12 | ВОЭ14736217 | [1] | Регулятор давления | |
| 13 | ВОЭ14736215 | [4] | Болт | |
| 14 | ВОЭ14736219 | [2] | Стопорный штифт | |
| 15 | ВОЭ14736201 | [1] | Регулирующий клапан | |
| 16 | ВОЭ14736213 | [1] | Болт | |
| 17 | ВОЭ14736212 | [1] | Болт | |
| 18 | ВОЭ14736214 | [4] | Болт | |
| 19 | ВОЭ14736221 | [1] | Перепечный комплект |
| Поступок | ЧАСТЬ НЕТ | QUTY | Имя детали | Комментарии |
|---|---|---|---|---|
| 1 | ВОЭ14715508 | [1] | Насос | |
| 2 | VOE60110299 | [4] | Шайтика | |
| 3 | ВОЭ60113534 | [4] | Гекс. Винт розетка |