Позвони нам сейчас
Стационарная линия: +86-750-6688281
Телефон: +86-13392072868
Телефон: +86-13302589039
| штат: | |
|---|---|
| Количество: | |
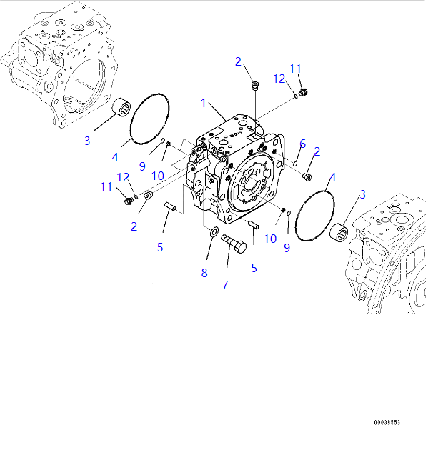
| P Art название | PC300-8 PC350-8 Главный насос | |||||
| Оборудование | Применить к экскаватору Комацу | |||||
| Часть №. | 708-2G-00150 | |||||
| Моторные зубы | ||||||
| Условие предмета | Новый | |||||
| Логотип | ФУНТ | |||||
| Вес брутто | - | |||||
| Могил | 1 шт | |||||





| Поступок | ЧАСТЬ НЕТ | QUTY | Имя детали | Комментарии |
|---|---|---|---|---|
| 708-2G-00150 | [1] | Насосная сборка Komatsu China | ||
| [ 'Sn: 62677-up '] | $ 0. | ||||
| 708-2G-01150 | [1] | Насосной подмазор komatsu China | ||
| [ 'Sn: 62677-up ', 'scc: c2 '] | $ 1. | ||||
| 708-2G-04241 | [1] | Сборка корпуса Комацу | 66,5 кг. | |
| [ 'Sn: 62677-up ', 'scc: c2 '] | $ 2. | ||||
| 3 | 708-8E-16150 | [2] | Подключите Komatsu | 0,02 кг. |
| [ 'Sn: 62677-up '] | ||||
| 4 | 07002-61023 | [2] | Уплотнительное кольцо Комацу | 0,22 кг. |
| [ 'SN: 62677-Up '] Аналоги: [ '7082L23920 '] | ||||
| 5 | 708-1L-29340 | [2] | Отверстие комацу | 0,001 кг. |
| [ 'Sn: 62677-up ', 'scc: c2 '] | ||||
| 6 | 04530-01222 | [1] | Болт, глаз Komatsu China | |
| [ 'SN: 62677-Up '] Аналоги: [ 'N291222 ', '1306091340 '] | ||||
| 7 | 07044-12412 | [1] | Подключите Komatsu | 0,09 кг. |
| [ 'Sn: 62677-up '] аналоги: [ '0704402412 ', 'r0704412412 '] | ||||
| 8 | 07002-62434 | [1] | Уплотнительное кольцо Комацу | 0,001 кг. |
| [ 'SN: 62677-UP '] Аналоги: [ '7081W28910 '] | ||||
| 9 | 07040-12414 | [1] | Подключите Komatsu | 0,092 кг. |
| [ 'SN: 62677-Up '] Аналоги: [ '0704002412 ', '0704012412 '] | ||||

| Поступок | ЧАСТЬ НЕТ | QUTY | Имя детали | Комментарии |
|---|---|---|---|---|
| 708-2G-00150 | [1] | Насосная сборка Komatsu China | ||
| [ 'Sn: 62677-up '] | $ 0. | ||||
| 708-2G-01150 | [1] | Насосной подмазор komatsu China | ||
| [ 'Sn: 62677-up ', 'scc: c2 '] | $ 1. | ||||
| 708-2G-04680 | [1] | Кэпка сборка Komatsu China | ||
| [ 'Sn: 62677-up ', 'scc: c2 '] | $ 2. | ||||
| 3 | 708-2G-12151 | [2] | Несущий комацу | 0,21 кг. |
| [ 'Sn: 62677-up ', 'scc: c2 '] | ||||
| 4 | 07000-A5185 | [2] | Уплотнительное кольцо Комацу OEM | 0,02 кг. |
| [ 'Sn: 62677-up ', 'scc: c2 '] | ||||
| 5 | 04020-01434 | [2] | Булавка, дюбель Комацу | 0,044 кг. |
| [ 'Sn: 62677-up ', 'scc: c2 '] | ||||
| 6 | 07000-B2012 | [7] | Уплотнительное кольцо Комацу Китай | 0,001 кг. |
| [ 'Sn: 62677-up ', 'scc: c2 '] | ||||
| 7 | 01010-61655 | [12] | Болт Комацу | 0,119 кг. |
| [ 'Sn: 62677-up ', 'scc: c2 '] аналоги: [ '801015613 ', '0101031655 ', '0101051655 ', '0101081655 '] | ||||
| 8 | 01643-51645 | [12] | Стиральная машина Комацу | 0,021 кг. |
| [ 'Sn: 62677-up ', 'scc: c2 '] | ||||
| 9 | 07000-B2014 | [4] | Уплотнительное кольцо Комацу Китай | 0,001 кг. |
| [ 'Sn: 62677-up ', 'scc: c2 '] | ||||
| 10 | 708-2L-25480 | [4] | Фильтр Komatsu OEM | 0,5 кг. |
| [ 'Sn: 62677-up ', 'scc: c2 '] | ||||
| 11 | 708-8E-16150 | [3] | Подключите Komatsu | 0,02 кг. |
| [ 'Sn: 62677-up '] | ||||
| 12 | 07002-61023 | [3] | Уплотнительное кольцо Комацу | 0,22 кг. |
| [ 'SN: 62677-Up '] Аналоги: [ '7082L23920 '] | ||||
| Поступок | ЧАСТЬ НЕТ | QUTY | Имя детали | Комментарии |
|---|---|---|---|---|
| 708-2G-00150 | [1] | Насосная сборка Komatsu China | ||
| [ 'Sn: 62677-up '] | $ 0. | ||||
| 708-2G-01150 | [1] | Насосной подмазор komatsu China | ||
| [ 'Sn: 62677-up ', 'scc: c2 '] | $ 1. | ||||
| 1 | 708-2G-12640 | [1] | Шал Комацу Китай | |
| [ 'Sn: 62677-up ', 'scc: c2 '] | ||||
| 2 | 708-2G-12251 | [1] | Несущий Komatsu China | 0,875 кг. |
| [ 'Sn: 62677-up ', 'scc: c2 '] аналоги: [ '7082g12252 '] | ||||
| 3 | 708-2G-05010 | [1] | Стиральная комплекта Комацу | 0,75 кг. |
| [ 'Sn: 62677-up ', 'scc: c2 '] | ||||
| 4 | 708-1F-12270 | [1] | Кольцо, Snap Komatsu | 0,014 кг. |
| [ 'Sn: 62677-up ', 'scc: c2 '] | ||||
| 5 | 708-2G-12230 | [1] | Печать, масляное комацу | 0,000 кг. |
| [ 'Sn: 62677-up '] | ||||
| 6 | 708-8H-32160 | [1] | Спейсер Комацу | 0,05 кг. |
| [ 'Sn: 62677-up '] | ||||
| 7 | 04065-07825 | [1] | Кольцо, Snap Komatsu | 0,022 кг. |
| [ 'Sn: 62677-up '] | ||||
| 708-2G-04710 | [1] | Цилиндровый блок сборка Komatsu China | ||
| [ 'Sn: 62677-up ', 'scc: c2 '] | $ 12. | ||||
| 10 | 708-18-13230 | [1] | Приколоть комацу | 0,01 кг. |
| [ 'Sn: 62677-up ', 'scc: c2 '] | ||||
| 11 | 04065-05520 | [1] | Кольцо, Snap Komatsu | 0,01 кг. |
| [ 'Sn: 62677-up ', 'scc: c2 '] | ||||
| 12 | 708-2G-13131 | [1] | Сиденье Комацу | 0,1 кг. |
| [ 'Sn: 62677-up ', 'scc: c2 '] | ||||
| 13 | 708-2G-13152 | [1] | Весна Комацу | 0,2 кг. |
| [ 'Sn: 62677-up ', 'scc: c2 '] | ||||
| 14 | 708-2G-13141 | [1] | Сиденье Комацу | 0,02 кг. |
| [ 'Sn: 62677-up ', 'scc: c2 '] | ||||
| 15 | 708-2G-13510 | [1] | Гид, фиксатор Komatsu OEM | 0,21 кг. |
| [ 'Sn: 62677-up ', 'scc: c2 '] | ||||
| 16 | 708-2H-23360 | [3] | Приколоть комацу | 0,006 кг. |
| [ 'Sn: 62677-up ', 'scc: c2 '] | ||||
| 17 | 708-2G-13341 | [1] | Удерживающий, обувь Комацу OEM | 0,39 кг. |
| [ 'Sn: 62677-up ', 'scc: c2 '] | ||||
| 18 | 708-2G-13810 | [9] | Поршневая подмазора Komatsu China | |
| [ 'Sn: 62677-up ', 'scc: c2 '] | ||||
| 708-2G-04670 | [1] | Колыбельная подборка Комацу | 0,000 кг. | |
| [ 'Sn: 62677-up ', 'scc: c2 '] | $ 24. | ||||
| 21 | 04020-01434 | [1] | Булавка, дюбель Комацу | 0,044 кг. |
| [ 'Sn: 62677-up ', 'scc: c2 '] | ||||
| 22 | 07000-B1009 | [1] | Уплотнительное кольцо Комацу Китай | 0,001 кг. |
| [ 'Sn: 62677-up ', 'scc: c2 '] аналоги: [ '7082l23910 '] | ||||
| 23 | 01252-61230 | [6] | Болт, шестигранная гнезда головка Комацу | 0,044 кг. |
| [ 'Sn: 62677-up ', 'scc: c2 '] | ||||
| Поступок | ЧАСТЬ НЕТ | QUTY | Имя детали | Комментарии |
|---|---|---|---|---|
| 708-2G-00150 | [1] | Насосная сборка Komatsu China | ||
| [ 'Sn: 62677-up '] | $ 0. | ||||
| 708-2G-01150 | [1] | Насосной подмазор komatsu China | ||
| [ 'Sn: 62677-up ', 'scc: c2 '] | $ 1. | ||||
| 1 | 708-2G-14120 | [1] | Слайдер Комацу | 0,365 кг. |
| [ 'Sn: 62677-up ', 'scc: c2 '] | ||||
| 1 | 708-2G-03640 | [1] | Ассамблея клапана Komatsu China | |
| [ 'Sn: 62677-up ', 'scc: c2 '] | ||||
| 1 | 708-2G-03650 | [1] | Поршневая сборка Komatsu China | |
| [ 'Sn: 62677-up ', 'scc: c2 '] | ||||
| 6 | 708-2L-35760 | [1] | Ball Komatsu | 0,001 кг. |
| [ 'Sn: 62677-up ', 'scc: c2 '] | ||||
| 7 | 708-2L-35770 | [1] | Подключите Komatsu | 0,005 кг. |
| [ 'Sn: 62677-up ', 'scc: c2 '] | ||||
| 9 | 708-2L-35170 | [1] | Приколоть комацу | 0,01 кг. |
| [ 'Sn: 62677-up ', 'scc: c2 '] | ||||
| 10 | 708-2G-15211 | [1] | Spool Komatsu | 0,03 кг. |
| [ 'Sn: 62677-up ', 'scc: c2 '] | ||||
| 11 | 708-2G-15290 | [1] | Сдержан Комацу | 0,05 кг. |
| [ 'Sn: 62677-up ', 'scc: c2 '] | ||||
| 12 | 708-2G-15140 | [1] | Сиденье Комацу | 0,01 кг. |
| [ 'Sn: 62677-up ', 'scc: c2 '] | ||||
| 13 | 708-2G-15270 | [1] | Весна Комацу | 2,1 кг. |
| [ 'Sn: 62677-up ', 'scc: c2 '] | ||||
| 14 | 708-2G-15280 | [1] | Весна Комацу Китай | |
| [ 'Sn: 62677-up ', 'scc: c2 '] | ||||
| 15 | 708-2G-15151 | [1] | Сиденье Комацу | 0,01 кг. |
| [ 'Sn: 62677-up ', 'scc: c2 '] | ||||
| 16 | 708-2G-15250 | [1] | Весна Комацу | 0,01 кг. |
| [ 'Sn: 62677-up ', 'scc: c2 '] | ||||
| 17 | 708-2G-14340 | [1] | Винт Комацу | 0,622 кг. |
| [ 'Sn: 62677-up ', 'scc: c2 '] | ||||
| 18 | 07000-B3038 | [1] | Уплотнительное кольцо Комацу | 0,002 кг. |
| [ 'Sn: 62677-up ', 'scc: c2 '] | ||||
| 19 | 708-2G-15230 | [1] | Кольцо, резервный комацу | 0,001 кг. |
| [ 'Sn: 62677-up ', 'scc: c2 '] | ||||
| 21 | 708-2G-15240 | [1] | Подключите Komatsu | 0,08 кг. |
| [ 'Sn: 62677-up ', 'scc: c2 '] | ||||
| 22 | 07000-B2012 | [1] | Уплотнительное кольцо Комацу Китай | 0,001 кг. |
| [ 'Sn: 62677-up ', 'scc: c2 '] | ||||
| 23 | 07000-B2050 | [1] | Уплотнительное кольцо Комацу | 0,002 кг. |
| [ 'Sn: 62677-up ', 'scc: c2 '] | ||||
| 24 | 708-2G-15310 | [1] | Кольцо, резервный комацу | 0,001 кг. |
| [ 'Sn: 62677-up ', 'scc: c2 '] | ||||
| 25 | 708-2G-14190 | [1] | Покрыть Komatsu China | |
| [ 'Sn: 62677-up ', 'scc: c2 '] | ||||
| 26 | 01580-10806 | [1] | Ореховый комацу | 0,005 кг. |
| [ 'Sn: 62677-up ', 'scc: c2 '] аналоги: [ '801920104 '] | ||||
| 27 | 708-2L-35290 | [1] | Ореховый комацу | 0,12 кг. |
| [ 'Sn: 62677-up ', 'scc: c2 '] | ||||
| 28 | 708-2G-15330 | [1] | Кольцо, носите комацу | 0,005 кг. |
| [ 'Sn: 62677-up ', 'scc: c2 '] | ||||
| 29 | 01252-61645 | [4] | Болт, шестигранная гнезда головка Комацу | 0,119 кг. |
| [ 'Sn: 62677-up ', 'scc: c2 '] | ||||
| Поступок | ЧАСТЬ НЕТ | QUTY | Имя детали | Комментарии |
|---|---|---|---|---|
| 708-2G-00150 | [1] | Насосная сборка Komatsu China | ||
| [ 'Sn: 62677-up '] | $ 0. | ||||
| 708-2G-01150 | [1] | Насосной подмазор komatsu China | ||
| [ 'Sn: 62677-up ', 'scc: c2 '] | $ 1. | ||||
| 708-2G-03480 | [1] | Крышка сборки Комацу | 2,01 кг. | |
| [ 'SN: 62677-Up ', 'SCC: C2 '] Аналоги: [ '7082G03430 '] | $ 2. | ||||
| 1 | 708-2G-14310 | [1] | Винт Комацу | 0,54 кг. |
| [ 'Sn: 62677-up ', 'scc: c2 '] | ||||
| 2 | 07000-B3038 | [1] | Уплотнительное кольцо Комацу | 0,002 кг. |
| [ 'Sn: 62677-up ', 'scc: c2 '] | ||||
| 3 | 708-2G-15230 | [1] | Кольцо, резервный комацу | 0,001 кг. |
| [ 'Sn: 62677-up ', 'scc: c2 '] | ||||
| 4 | 708-2L-35290 | [1] | Ореховый комацу | 0,12 кг. |
| [ 'Sn: 62677-up ', 'scc: c2 '] | ||||
| 5 | 708-2G-14170 | [1] | Покрыть комацу | 1,5 кг. |
| [ 'Sn: 62677-up ', 'scc: c2 '] | ||||
| 6 | 07000-B2050 | [1] | Уплотнительное кольцо Комацу | 0,002 кг. |
| [ 'Sn: 62677-up ', 'scc: c2 '] | ||||
| 7 | 708-2G-15310 | [1] | Кольцо, резервный комацу | 0,001 кг. |
| [ 'Sn: 62677-up ', 'scc: c2 '] | ||||
| 8 | 01252-61645 | [4] | Болт, шестигранная гнезда головка Комацу | 0,119 кг. |
| [ 'Sn: 62677-up ', 'scc: c2 '] | ||||
| Поступок | ЧАСТЬ НЕТ | QUTY | Имя детали | Комментарии |
|---|---|---|---|---|
| 708-2G-00150 | [1] | Насосная сборка Komatsu China | ||
| [ 'Sn: 62677-up '] | $ 0. | ||||
| 708-2G-01150 | [1] | Насосной подмазор komatsu China | ||
| [ 'Sn: 62677-up ', 'scc: c2 '] | $ 1. | ||||
| 708-2G-04252 | [1] | Сборка корпуса Комацу | 39,4 кг. | |
| [ 'SN: 62677-Up ', 'SCC: C2 '] Аналоги: [ '7082G04251 ', '7082G04250 '] | $ 2. | ||||
| 3 | 07044-12412 | [1] | Подключите Komatsu | 0,09 кг. |
| [ 'Sn: 62677-up '] аналоги: [ '0704402412 ', 'r0704412412 '] | ||||
| 4 | 07002-62434 | [1] | Уплотнительное кольцо Комацу | 0,001 кг. |
| [ 'SN: 62677-UP '] Аналоги: [ '7081W28910 '] | ||||
| 5 | 20B-27-11210 | [1] | Bleeder Komatsu | 0,02 кг. |
| [ 'Sn: 62677-up '] | ||||
| 6 | 708-1L-29340 | [2] | Отверстие комацу | 0,001 кг. |
| [ 'Sn: 62677-up ', 'scc: c2 '] | ||||
| 7 | 04530-01222 | [1] | Болт, глаз Komatsu China | |
| [ 'SN: 62677-Up '] Аналоги: [ 'N291222 ', '1306091340 '] | ||||
| 8 | 708-8E-16150 | [4] | Подключите Komatsu | 0,02 кг. |
| [ 'Sn: 62677-up '] | ||||
| 9 | 07002-61023 | [4] | Уплотнительное кольцо Комацу | 0,22 кг. |
| [ 'SN: 62677-Up '] Аналоги: [ '7082L23920 '] | ||||
| 10 | 07040-12414 | [1] | Подключите Komatsu | 0,092 кг. |
| [ 'SN: 62677-Up '] Аналоги: [ '0704002412 ', '0704012412 '] | ||||
| Поступок | ЧАСТЬ НЕТ | QUTY | Имя детали | Комментарии |
|---|---|---|---|---|
| 708-2G-00150 | [1] | Насосная сборка Komatsu China | ||
| [ 'Sn: 62677-up '] | $ 0. | ||||
| 708-2G-01150 | [1] | Насосной подмазор komatsu China | ||
| [ 'Sn: 62677-up ', 'scc: c2 '] | $ 1. | ||||
| 1 | 708-2G-12650 | [1] | Шал Комацу Китай | |
| [ 'Sn: 62677-up ', 'scc: c2 '] | ||||
| 2 | 708-2G-12251 | [1] | Несущий Komatsu China | 0,875 кг. |
| [ 'Sn: 62677-up ', 'scc: c2 '] аналоги: [ '7082g12252 '] | ||||
| 3 | 708-2G-05010 | [1] | Стиральная комплекта Комацу | 0,75 кг. |
| [ 'Sn: 62677-up ', 'scc: c2 '] | ||||
| 4 | 708-1F-12270 | [1] | Кольцо, Snap Komatsu | 0,014 кг. |
| [ 'Sn: 62677-up ', 'scc: c2 '] | ||||
| 708-2G-04720 | [1] | Блок сборка Komatsu China | ||
| [ 'Sn: 62677-up ', 'scc: c2 '] | $ 9. | ||||
| 7 | 708-18-13230 | [1] | Приколоть комацу | 0,01 кг. |
| [ 'Sn: 62677-up ', 'scc: c2 '] | ||||
| 8 | 04065-05520 | [1] | Кольцо, Snap Komatsu | 0,01 кг. |
| [ 'Sn: 62677-up ', 'scc: c2 '] | ||||
| 9 | 708-2G-13131 | [1] | Сиденье Комацу | 0,1 кг. |
| [ 'Sn: 62677-up ', 'scc: c2 '] | ||||
| 10 | 708-2G-13152 | [1] | Весна Комацу | 0,2 кг. |
| [ 'Sn: 62677-up ', 'scc: c2 '] | ||||
| 11 | 708-2G-13141 | [1] | Сиденье Комацу | 0,02 кг. |
| [ 'Sn: 62677-up ', 'scc: c2 '] | ||||
| 12 | 708-2G-13510 | [1] | Гид, фиксатор Komatsu OEM | 0,21 кг. |
| [ 'Sn: 62677-up ', 'scc: c2 '] | ||||
| 13 | 708-2H-23360 | [3] | Приколоть комацу | 0,006 кг. |
| [ 'Sn: 62677-up ', 'scc: c2 '] | ||||
| 14 | 708-2G-13341 | [1] | Удерживающий, обувь Комацу OEM | 0,39 кг. |
| [ 'Sn: 62677-up ', 'scc: c2 '] | ||||
| 15 | 708-2G-13810 | [9] | Поршневая подмазора Komatsu China | |
| [ 'Sn: 62677-up ', 'scc: c2 '] | ||||
| 708-2G-04670 | [1] | Колыбельная подборка Комацу | 0,000 кг. | |
| [ 'Sn: 62677-up ', 'scc: c2 '] | $ 21. | ||||
| 18 | 04020-01434 | [1] | Булавка, дюбель Комацу | 0,044 кг. |
| [ 'Sn: 62677-up ', 'scc: c2 '] | ||||
| 19 | 07000-B1009 | [1] | Уплотнительное кольцо Комацу Китай | 0,001 кг. |
| [ 'Sn: 62677-up ', 'scc: c2 '] аналоги: [ '7082l23910 '] | ||||
| 20 | 01252-61230 | [6] | Болт, шестигранная гнезда головка Комацу | 0,044 кг. |
| [ 'Sn: 62677-up ', 'scc: c2 '] | ||||
| Поступок | ЧАСТЬ НЕТ | QUTY | Имя детали | Комментарии |
|---|---|---|---|---|
| 708-2G-00150 | [1] | Насосная сборка Komatsu China | ||
| [ 'Sn: 62677-up '] | $ 0. | ||||
| 708-2G-01150 | [1] | Насосной подмазор komatsu China | ||
| [ 'Sn: 62677-up ', 'scc: c2 '] | $ 1. | ||||
| 1 | 708-2G-14120 | [1] | Слайдер Комацу | 0,365 кг. |
| [ 'Sn: 62677-up ', 'scc: c2 '] | ||||
| 1 | 708-2G-03640 | [1] | Ассамблея клапана Komatsu China | |
| [ 'Sn: 62677-up ', 'scc: c2 '] | ||||
| 1 | 708-2G-03650 | [1] | Поршневая сборка Komatsu China | |
| [ 'Sn: 62677-up ', 'scc: c2 '] | ||||
| 6 | 708-2L-35760 | [1] | Ball Komatsu | 0,001 кг. |
| [ 'Sn: 62677-up ', 'scc: c2 '] | ||||
| 7 | 708-2L-35770 | [1] | Подключите Komatsu | 0,005 кг. |
| [ 'Sn: 62677-up ', 'scc: c2 '] | ||||
| 9 | 708-2L-35170 | [1] | Приколоть комацу | 0,01 кг. |
| [ 'Sn: 62677-up ', 'scc: c2 '] | ||||
| 10 | 708-2G-15211 | [1] | Spool Komatsu | 0,03 кг. |
| [ 'Sn: 62677-up ', 'scc: c2 '] | ||||
| 11 | 708-2G-15290 | [1] | Сдержан Комацу | 0,05 кг. |
| [ 'Sn: 62677-up ', 'scc: c2 '] | ||||
| 12 | 708-2G-15140 | [1] | Сиденье Комацу | 0,01 кг. |
| [ 'Sn: 62677-up ', 'scc: c2 '] | ||||
| 13 | 708-2G-15270 | [1] | Весна Комацу | 2,1 кг. |
| [ 'Sn: 62677-up ', 'scc: c2 '] | ||||
| 14 | 708-2G-15280 | [1] | Весна Комацу Китай | |
| [ 'Sn: 62677-up ', 'scc: c2 '] | ||||
| 15 | 708-2G-15151 | [1] | Сиденье Комацу | 0,01 кг. |
| [ 'Sn: 62677-up ', 'scc: c2 '] | ||||
| 16 | 708-2G-15250 | [1] | Весна Комацу | 0,01 кг. |
| [ 'Sn: 62677-up ', 'scc: c2 '] | ||||
| 17 | 708-2G-14340 | [1] | Винт Комацу | 0,622 кг. |
| [ 'Sn: 62677-up ', 'scc: c2 '] | ||||
| 18 | 07000-B3038 | [1] | Уплотнительное кольцо Комацу | 0,002 кг. |
| [ 'Sn: 62677-up ', 'scc: c2 '] | ||||
| 19 | 708-2G-15230 | [1] | Кольцо, резервный комацу | 0,001 кг. |
| [ 'Sn: 62677-up ', 'scc: c2 '] | ||||
| 21 | 708-2G-15240 | [1] | Подключите Komatsu | 0,08 кг. |
| [ 'Sn: 62677-up ', 'scc: c2 '] | ||||
| 22 | 07000-B2012 | [1] | Уплотнительное кольцо Комацу Китай | 0,001 кг. |
| [ 'Sn: 62677-up ', 'scc: c2 '] | ||||
| 23 | 07000-B2050 | [1] | Уплотнительное кольцо Комацу | 0,002 кг. |
| [ 'Sn: 62677-up ', 'scc: c2 '] | ||||
| 24 | 708-2G-15310 | [1] | Кольцо, резервный комацу | 0,001 кг. |
| [ 'Sn: 62677-up ', 'scc: c2 '] | ||||
| 25 | 708-2G-14190 | [1] | Покрыть Komatsu China | |
| [ 'Sn: 62677-up ', 'scc: c2 '] | ||||
| 26 | 01580-10806 | [1] | Ореховый комацу | 0,005 кг. |
| [ 'Sn: 62677-up ', 'scc: c2 '] аналоги: [ '801920104 '] | ||||
| 27 | 708-2L-35290 | [1] | Ореховый комацу | 0,12 кг. |
| [ 'Sn: 62677-up ', 'scc: c2 '] | ||||
| 28 | 708-2G-15330 | [1] | Кольцо, носите комацу | 0,005 кг. |
| [ 'Sn: 62677-up ', 'scc: c2 '] | ||||
| 29 | 01252-61645 | [4] | Болт, шестигранная гнезда головка Комацу | 0,119 кг. |
| [ 'Sn: 62677-up ', 'scc: c2 '] | ||||
| Поступок | ЧАСТЬ НЕТ | QUTY | Имя детали | Комментарии |
|---|---|---|---|---|
| 708-2G-00150 | [1] | Насосная сборка Komatsu China | ||
| [ 'Sn: 62677-up '] | $ 0. | ||||
| 708-2G-01150 | [1] | Насосной подмазор komatsu China | ||
| [ 'Sn: 62677-up ', 'scc: c2 '] | $ 1. | ||||
| 708-2G-03480 | [1] | Крышка сборки Комацу | 2,01 кг. | |
| [ 'SN: 62677-Up ', 'SCC: C2 '] Аналоги: [ '7082G03430 '] | $ 2. | ||||
| 1 | 708-2G-14310 | [1] | Винт Комацу | 0,54 кг. |
| [ 'Sn: 62677-up ', 'scc: c2 '] | ||||
| 2 | 07000-B3038 | [1] | Уплотнительное кольцо Комацу | 0,002 кг. |
| [ 'Sn: 62677-up ', 'scc: c2 '] | ||||
| 3 | 708-2G-15230 | [1] | Кольцо, резервный комацу | 0,001 кг. |
| [ 'Sn: 62677-up ', 'scc: c2 '] | ||||
| 4 | 708-2L-35290 | [1] | Ореховый комацу | 0,12 кг. |
| [ 'Sn: 62677-up ', 'scc: c2 '] | ||||
| 5 | 708-2G-14170 | [1] | Покрыть комацу | 1,5 кг. |
| [ 'Sn: 62677-up ', 'scc: c2 '] | ||||
| 6 | 07000-B2050 | [1] | Уплотнительное кольцо Комацу | 0,002 кг. |
| [ 'Sn: 62677-up ', 'scc: c2 '] | ||||
| 7 | 708-2G-15310 | [1] | Кольцо, резервный комацу | 0,001 кг. |
| [ 'Sn: 62677-up ', 'scc: c2 '] | ||||
| 8 | 01252-61645 | [4] | Болт, шестигранная гнезда головка Комацу | 0,119 кг. |
| [ 'Sn: 62677-up ', 'scc: c2 '] | ||||
| Поступок | ЧАСТЬ НЕТ | QUTY | Имя детали | Комментарии |
|---|---|---|---|---|
| 708-2G-00150 | [1] | Насосная сборка Komatsu China | ||
| [ 'Sn: 62677-up '] | $ 0. | ||||
| 708-2G-01150 | [1] | Насосной подмазор komatsu China | ||
| [ 'Sn: 62677-up ', 'scc: c2 '] | $ 1. | ||||
| 1 | 708-2G-12340 | [1] | Связывание комацу | 0,37 кг. |
| [ 'Sn: 62677-up ', 'scc: c2 '] | ||||
| 2 | 708-2F-12420 | [1] | Кольцо Комацу | 0,005 кг. |
| [ 'Sn: 62677-up ', 'scc: c2 '] | ||||
| 3 | 708-2H-21860 | [1] | Пластина Комацу | 0,04 кг. |
| [ 'Sn: 62677-up ', 'scc: c2 '] | ||||
| 708-2G-04730 | [1] | Gear Kit Komatsu China | ||
| [ 'Sn: 62677-up ', 'scc: c2 '] | $ 5. | ||||
| 6 | 708-2H-32320 | [1] | Втулка Комацу | 0,000 кг. |
| [ 'Sn: 62677-up ', 'scc: c2 '] | ||||
| 7 | 708-2H-32330 | [1] | Работочнее Комацу | 0,000 кг. |
| [ 'Sn: 62677-up ', 'scc: c2 '] | ||||
| 8 | 01010-61220 | [2] | Болт Комацу | 0,035 кг. |
| [ 'Sn: 62677-up ', 'scc: c2 '] аналоги: [ '0101031220 ', '01010e1220 '] | ||||
| 9 | 708-2H-32350 | [2] | Стиральная машина Комацу | 0,000 кг. |
| [ 'Sn: 62677-up ', 'scc: c2 '] | ||||
| 10 | 708-2H-32360 | [1] | Шал Комацу | 0,000 кг. |
| [ 'Sn: 62677-up ', 'scc: c2 '] | ||||
| 11 | 708-2G-11910 | [1] | Покрыть Komatsu China | |
| [ 'Sn: 62677-up ', 'scc: c2 '] | ||||
| 12 | 07000-A2105 | [1] | Уплотнительное кольцо Комацу | 0,003 кг. |
| [ 'Sn: 62677-up ', 'scc: c2 '] | ||||
| 13 | 708-2G-05020 | [1] | Shim Kit Komatsu China | |
| [ 'Sn: 62677-up ', 'scc: c2 '] | ||||
| 14 | 01010-81235 | [2] | Болт Комацу | 0,048 кг. |
| [ 'Sn: 62677-up '] Аналоги: [ '0101051235 ', '01010E1235 ', '801015136 '] | ||||
| 15 | 01643-31232 | [2] | Стиральная машина Комацу | 0,027 кг. |
| [ 'SN: 62677-UP '] Аналоги: [ '0164371232 ', '0164381232 ', '802170003 ', 'R0164331232 ', '0614331232 '] | ||||
| Поступок | ЧАСТЬ НЕТ | QUTY | Имя детали | Комментарии |
|---|---|---|---|---|
| 708-2G-00150 | [1] | Насосная сборка Komatsu China | ||
| [ 'Sn: 62677-up '] | $ 0. | ||||
| 708-2G-03720 | [1] | Ассамблея клапана Komatsu China | ||
| [ 'Sn: 62677-up '] | $ 1. | ||||
| 3 | 708-2J-15310 | [1] | Spool Komatsu China | |
| [ 'Sn: 62677-up ', 'scc: c2 '] | ||||
| 4 | 708-2L-28540 | [1] | Поршень комацу | 0,01 кг. |
| [ 'Sn: 62677-up ', 'scc: c2 '] | ||||
| 5 | 708-2L-35360 | [1] | Рукав комацу | 0,04 кг. |
| [ 'Sn: 62677-up ', 'scc: c2 '] | ||||
| 6 | 708-2L-35331 | [1] | Сиденье Комацу | 0,01 кг. |
| [ 'Sn: 62677-up ', 'scc: c2 '] | ||||
| 7 | 708-2L-35410 | [1] | Весна Комацу | 0,01 кг. |
| [ 'Sn: 62677-up ', 'scc: c2 '] | ||||
| 8 | 708-2L-35341 | [1] | Сиденье Комацу | 0,001 кг. |
| [ 'Sn: 62677-up ', 'scc: c2 '] | ||||
| 9 | 708-2L-35351 | [1] | Подключите Komatsu | 0,04 кг. |
| [ 'Sn: 62677-up ', 'scc: c2 '] | ||||
| 10 | 07000-B1009 | [1] | Уплотнительное кольцо Комацу Китай | 0,001 кг. |
| [ 'Sn: 62677-up ', 'scc: c2 '] аналоги: [ '7082l23910 '] | ||||
| 11 | 07001-01009 | [1] | Кольцо, резервный комацу | 0,001 кг. |
| [ 'Sn: 62677-up ', 'scc: c2 '] | ||||
| 12 | 01583-11408 | [1] | Ореховый комацу | 0,4 кг. |
| [ 'SN: 62677-Up ', 'SCC: C2 '] Аналоги: [ '801713411 '] | ||||
| 13 | 07002-62434 | [1] | Уплотнительное кольцо Комацу | 0,001 кг. |
| [ 'SN: 62677-UP '] Аналоги: [ '7081W28910 '] | ||||
| 13 | 708-2G-03920 | [1] | Ассамблея клапана Komatsu China | |
| [ 'Sn: 62677-up '] | ||||
| 19 | 708-2G-15420 | [1] | Сиденья Komatsu China | |
| [ 'Sn: 62677-up ', 'scc: c2 '] | ||||

| Поступок | ЧАСТЬ НЕТ | QUTY | Имя детали | Комментарии |
|---|---|---|---|---|
| 708-2G-00150 | [1] | Насосная сборка Komatsu China | ||
| [ 'Sn: 62677-up '] | $ 0. | ||||
| 1 | 702-21-57400 | [1] | Клапан, пилот komatsu OEM | 0,442 кг. |
| [ 'SN: 62677-Up '] Аналоги: [ '7022155901 '] | ||||
| 2 | 723-11-19960 | [1] | Уплотнительное кольцо Комацу | 0,001 кг. |
| [ 'Sn: 62677-up '] | ||||
| 3 | 702-21-54910 | [2] | Уплотнительное кольцо Комацу | 0,001 кг. |
| [ 'Sn: 62677-up '] | ||||
| 4 | 01252-60635 | [2] | Болт, шестигранная гнезда головка Комацу | 0,011 кг. |
| [ 'Sn: 62677-up '] | ||||
| 5 | 20y-62-22790 | [1] | Полоса, красный комацу | 0,001 кг. |
| [ 'Sn: 62677-up '] | ||||
| 6 | 702-21-57500 | [1] | Клапан, пилот komatsu OEM | 0,5 кг. |
| [ 'SN: 62677-Up '] Аналоги: [ '7022155701 ', '7022155700 '] | ||||
| 9 | 702-16-55260 | [2] | Болт Комацу | 0,02 кг. |
| [ 'Sn: 62677-up '] | ||||
| 10 | 20y-62-22830 | [1] | Полоса, белый комацу | 0,001 кг. |
| [ 'Sn: 62677-up '] | ||||
| 10 | 702-21-56600 | [1] | Клапан сборка Комацу | 0,552 кг. |
| [ 'Sn: 62677-up '] | ||||
| 11 | 702-21-55920 | [1] | Подключите Komatsu China | |
| [ 'Sn: 62677-up '] | ||||
| 12 | 702-21-55930 | [1] | Поршень Комацу Китай | |
| [ 'Sn: 62677-up '] | ||||
| 13 | 702-21-56610 | [1] | Весна Комацу Китай | |
| [ 'Sn: 62677-up '] | ||||
| 14 | 702-21-55951 | [1] | Блок Komatsu China | |
| [ 'SN: 62677-Up '] Аналоги: [ '7022155950 '] | ||||
| 15 | 07002-12034 | [1] | Уплотнительное кольцо Комацу Китай | 0,94 кг. |
| [ 'Sn: 62677-up '] аналоги: [ '0700002034 ', '0700202034 ', '0700012034 '] | ||||
| 16 | 07000-11008 | [2] | Уплотнительное кольцо Комацу Китай | 0,01 кг. |
| [ 'Sn: 62677-up '] аналоги: [ '0700001008 ', '2016018950 '] | ||||
| 17 | 722-12-18240 | [1] | Уплотнительное кольцо Комацу | 0,001 кг. |
| [ 'Sn: 62677-up '] | ||||
| 18 | 01252-60530 | [1] | Болт, шестигранная гнезда головка Комацу | 0,006 кг. |
| [ 'Sn: 62677-up '] | ||||
| 19 | 708-2G-15680 | [2] | Подключите Komatsu China | |
| [ 'Sn: 62677-up '] | ||||
| 20 | 07000-B1008 | [2] | Уплотнительное кольцо Комацу | 0,001 кг. |
| [ 'Sn: 62677-up '] | ||||
| 21 | 07001-01008 | [4] | Кольцо, резервный комацу | 0,001 кг. |
| [ 'Sn: 62677-up '] | ||||
| 22 | 07002-61423 | [2] | Уплотнительное кольцо Комацу | 0,001 кг. |
| [ 'SN: 62677-Up '] Аналоги: [ '7082L23950 '] | ||||
| 23 | 01643-31232 | [3] | Стиральная машина Комацу | 0,027 кг. |
| [ 'SN: 62677-UP '] Аналоги: [ '0164371232 ', '0164381232 ', '802170003 ', 'R0164331232 ', '0614331232 '] | ||||
| 24 | 01010-81220 | [2] | Болт Комацу | 0,032 кг. |
| [ 'SN: 62677-Up '] Аналоги: [ '0101051220 '] | ||||
| 25 | 08193-21012 | [2] | Клип Комацу | 0,011 кг. |
| [ 'Sn: 62677-up '] | ||||
| 26 | 708-2G-19130 | [1] | Спейсер Komatsu China | |
| [ 'Sn: 62677-up '] | ||||
| 27 | 01010-81235 | [1] | Болт Комацу | 0,048 кг. |
| [ 'Sn: 62677-up '] Аналоги: [ '0101051235 ', '01010E1235 ', '801015136 '] | ||||
| 28 | 04434-50612 | [1] | Клип Комацу | 0,01 кг. |
| [ 'Sn: 62677-up '] | ||||
| P Art название | PC300-8 PC350-8 Главный насос | |||||
| Оборудование | Применить к экскаватору Комацу | |||||
| Часть №. | 708-2G-00150 | |||||
| Моторные зубы | ||||||
| Условие предмета | Новый | |||||
| Логотип | ФУНТ | |||||
| Вес брутто | - | |||||
| Могил | 1 шт | |||||





| Поступок | ЧАСТЬ НЕТ | QUTY | Имя детали | Комментарии |
|---|---|---|---|---|
| 708-2G-00150 | [1] | Насосная сборка Komatsu China | ||
| [ 'Sn: 62677-up '] | $ 0. | ||||
| 708-2G-01150 | [1] | Насосной подмазор komatsu China | ||
| [ 'Sn: 62677-up ', 'scc: c2 '] | $ 1. | ||||
| 708-2G-04241 | [1] | Сборка корпуса Комацу | 66,5 кг. | |
| [ 'Sn: 62677-up ', 'scc: c2 '] | $ 2. | ||||
| 3 | 708-8E-16150 | [2] | Подключите Komatsu | 0,02 кг. |
| [ 'Sn: 62677-up '] | ||||
| 4 | 07002-61023 | [2] | Уплотнительное кольцо Комацу | 0,22 кг. |
| [ 'SN: 62677-Up '] Аналоги: [ '7082L23920 '] | ||||
| 5 | 708-1L-29340 | [2] | Отверстие комацу | 0,001 кг. |
| [ 'Sn: 62677-up ', 'scc: c2 '] | ||||
| 6 | 04530-01222 | [1] | Болт, глаз Komatsu China | |
| [ 'SN: 62677-Up '] Аналоги: [ 'N291222 ', '1306091340 '] | ||||
| 7 | 07044-12412 | [1] | Подключите Komatsu | 0,09 кг. |
| [ 'Sn: 62677-up '] аналоги: [ '0704402412 ', 'r0704412412 '] | ||||
| 8 | 07002-62434 | [1] | Уплотнительное кольцо Комацу | 0,001 кг. |
| [ 'SN: 62677-UP '] Аналоги: [ '7081W28910 '] | ||||
| 9 | 07040-12414 | [1] | Подключите Komatsu | 0,092 кг. |
| [ 'SN: 62677-Up '] Аналоги: [ '0704002412 ', '0704012412 '] | ||||

| Поступок | ЧАСТЬ НЕТ | QUTY | Имя детали | Комментарии |
|---|---|---|---|---|
| 708-2G-00150 | [1] | Насосная сборка Komatsu China | ||
| [ 'Sn: 62677-up '] | $ 0. | ||||
| 708-2G-01150 | [1] | Насосной подмазор komatsu China | ||
| [ 'Sn: 62677-up ', 'scc: c2 '] | $ 1. | ||||
| 708-2G-04680 | [1] | Кэпка сборка Komatsu China | ||
| [ 'Sn: 62677-up ', 'scc: c2 '] | $ 2. | ||||
| 3 | 708-2G-12151 | [2] | Несущий комацу | 0,21 кг. |
| [ 'Sn: 62677-up ', 'scc: c2 '] | ||||
| 4 | 07000-A5185 | [2] | Уплотнительное кольцо Комацу OEM | 0,02 кг. |
| [ 'Sn: 62677-up ', 'scc: c2 '] | ||||
| 5 | 04020-01434 | [2] | Булавка, дюбель Комацу | 0,044 кг. |
| [ 'Sn: 62677-up ', 'scc: c2 '] | ||||
| 6 | 07000-B2012 | [7] | Уплотнительное кольцо Комацу Китай | 0,001 кг. |
| [ 'Sn: 62677-up ', 'scc: c2 '] | ||||
| 7 | 01010-61655 | [12] | Болт Комацу | 0,119 кг. |
| [ 'Sn: 62677-up ', 'scc: c2 '] аналоги: [ '801015613 ', '0101031655 ', '0101051655 ', '0101081655 '] | ||||
| 8 | 01643-51645 | [12] | Стиральная машина Комацу | 0,021 кг. |
| [ 'Sn: 62677-up ', 'scc: c2 '] | ||||
| 9 | 07000-B2014 | [4] | Уплотнительное кольцо Комацу Китай | 0,001 кг. |
| [ 'Sn: 62677-up ', 'scc: c2 '] | ||||
| 10 | 708-2L-25480 | [4] | Фильтр Komatsu OEM | 0,5 кг. |
| [ 'Sn: 62677-up ', 'scc: c2 '] | ||||
| 11 | 708-8E-16150 | [3] | Подключите Komatsu | 0,02 кг. |
| [ 'Sn: 62677-up '] | ||||
| 12 | 07002-61023 | [3] | Уплотнительное кольцо Комацу | 0,22 кг. |
| [ 'SN: 62677-Up '] Аналоги: [ '7082L23920 '] | ||||
| Поступок | ЧАСТЬ НЕТ | QUTY | Имя детали | Комментарии |
|---|---|---|---|---|
| 708-2G-00150 | [1] | Насосная сборка Komatsu China | ||
| [ 'Sn: 62677-up '] | $ 0. | ||||
| 708-2G-01150 | [1] | Насосной подмазор komatsu China | ||
| [ 'Sn: 62677-up ', 'scc: c2 '] | $ 1. | ||||
| 1 | 708-2G-12640 | [1] | Шал Комацу Китай | |
| [ 'Sn: 62677-up ', 'scc: c2 '] | ||||
| 2 | 708-2G-12251 | [1] | Несущий Komatsu China | 0,875 кг. |
| [ 'Sn: 62677-up ', 'scc: c2 '] аналоги: [ '7082g12252 '] | ||||
| 3 | 708-2G-05010 | [1] | Стиральная комплекта Комацу | 0,75 кг. |
| [ 'Sn: 62677-up ', 'scc: c2 '] | ||||
| 4 | 708-1F-12270 | [1] | Кольцо, Snap Komatsu | 0,014 кг. |
| [ 'Sn: 62677-up ', 'scc: c2 '] | ||||
| 5 | 708-2G-12230 | [1] | Печать, масляное комацу | 0,000 кг. |
| [ 'Sn: 62677-up '] | ||||
| 6 | 708-8H-32160 | [1] | Спейсер Комацу | 0,05 кг. |
| [ 'Sn: 62677-up '] | ||||
| 7 | 04065-07825 | [1] | Кольцо, Snap Komatsu | 0,022 кг. |
| [ 'Sn: 62677-up '] | ||||
| 708-2G-04710 | [1] | Цилиндровый блок сборка Komatsu China | ||
| [ 'Sn: 62677-up ', 'scc: c2 '] | $ 12. | ||||
| 10 | 708-18-13230 | [1] | Приколоть комацу | 0,01 кг. |
| [ 'Sn: 62677-up ', 'scc: c2 '] | ||||
| 11 | 04065-05520 | [1] | Кольцо, Snap Komatsu | 0,01 кг. |
| [ 'Sn: 62677-up ', 'scc: c2 '] | ||||
| 12 | 708-2G-13131 | [1] | Сиденье Комацу | 0,1 кг. |
| [ 'Sn: 62677-up ', 'scc: c2 '] | ||||
| 13 | 708-2G-13152 | [1] | Весна Комацу | 0,2 кг. |
| [ 'Sn: 62677-up ', 'scc: c2 '] | ||||
| 14 | 708-2G-13141 | [1] | Сиденье Комацу | 0,02 кг. |
| [ 'Sn: 62677-up ', 'scc: c2 '] | ||||
| 15 | 708-2G-13510 | [1] | Гид, фиксатор Komatsu OEM | 0,21 кг. |
| [ 'Sn: 62677-up ', 'scc: c2 '] | ||||
| 16 | 708-2H-23360 | [3] | Приколоть комацу | 0,006 кг. |
| [ 'Sn: 62677-up ', 'scc: c2 '] | ||||
| 17 | 708-2G-13341 | [1] | Удерживающий, обувь Комацу OEM | 0,39 кг. |
| [ 'Sn: 62677-up ', 'scc: c2 '] | ||||
| 18 | 708-2G-13810 | [9] | Поршневая подмазора Komatsu China | |
| [ 'Sn: 62677-up ', 'scc: c2 '] | ||||
| 708-2G-04670 | [1] | Колыбельная подборка Комацу | 0,000 кг. | |
| [ 'Sn: 62677-up ', 'scc: c2 '] | $ 24. | ||||
| 21 | 04020-01434 | [1] | Булавка, дюбель Комацу | 0,044 кг. |
| [ 'Sn: 62677-up ', 'scc: c2 '] | ||||
| 22 | 07000-B1009 | [1] | Уплотнительное кольцо Комацу Китай | 0,001 кг. |
| [ 'Sn: 62677-up ', 'scc: c2 '] аналоги: [ '7082l23910 '] | ||||
| 23 | 01252-61230 | [6] | Болт, шестигранная гнезда головка Комацу | 0,044 кг. |
| [ 'Sn: 62677-up ', 'scc: c2 '] | ||||
| Поступок | ЧАСТЬ НЕТ | QUTY | Имя детали | Комментарии |
|---|---|---|---|---|
| 708-2G-00150 | [1] | Насосная сборка Komatsu China | ||
| [ 'Sn: 62677-up '] | $ 0. | ||||
| 708-2G-01150 | [1] | Насосной подмазор komatsu China | ||
| [ 'Sn: 62677-up ', 'scc: c2 '] | $ 1. | ||||
| 1 | 708-2G-14120 | [1] | Слайдер Комацу | 0,365 кг. |
| [ 'Sn: 62677-up ', 'scc: c2 '] | ||||
| 1 | 708-2G-03640 | [1] | Ассамблея клапана Komatsu China | |
| [ 'Sn: 62677-up ', 'scc: c2 '] | ||||
| 1 | 708-2G-03650 | [1] | Поршневая сборка Komatsu China | |
| [ 'Sn: 62677-up ', 'scc: c2 '] | ||||
| 6 | 708-2L-35760 | [1] | Ball Komatsu | 0,001 кг. |
| [ 'Sn: 62677-up ', 'scc: c2 '] | ||||
| 7 | 708-2L-35770 | [1] | Подключите Komatsu | 0,005 кг. |
| [ 'Sn: 62677-up ', 'scc: c2 '] | ||||
| 9 | 708-2L-35170 | [1] | Приколоть комацу | 0,01 кг. |
| [ 'Sn: 62677-up ', 'scc: c2 '] | ||||
| 10 | 708-2G-15211 | [1] | Spool Komatsu | 0,03 кг. |
| [ 'Sn: 62677-up ', 'scc: c2 '] | ||||
| 11 | 708-2G-15290 | [1] | Сдержан Комацу | 0,05 кг. |
| [ 'Sn: 62677-up ', 'scc: c2 '] | ||||
| 12 | 708-2G-15140 | [1] | Сиденье Комацу | 0,01 кг. |
| [ 'Sn: 62677-up ', 'scc: c2 '] | ||||
| 13 | 708-2G-15270 | [1] | Весна Комацу | 2,1 кг. |
| [ 'Sn: 62677-up ', 'scc: c2 '] | ||||
| 14 | 708-2G-15280 | [1] | Весна Комацу Китай | |
| [ 'Sn: 62677-up ', 'scc: c2 '] | ||||
| 15 | 708-2G-15151 | [1] | Сиденье Комацу | 0,01 кг. |
| [ 'Sn: 62677-up ', 'scc: c2 '] | ||||
| 16 | 708-2G-15250 | [1] | Весна Комацу | 0,01 кг. |
| [ 'Sn: 62677-up ', 'scc: c2 '] | ||||
| 17 | 708-2G-14340 | [1] | Винт Комацу | 0,622 кг. |
| [ 'Sn: 62677-up ', 'scc: c2 '] | ||||
| 18 | 07000-B3038 | [1] | Уплотнительное кольцо Комацу | 0,002 кг. |
| [ 'Sn: 62677-up ', 'scc: c2 '] | ||||
| 19 | 708-2G-15230 | [1] | Кольцо, резервный комацу | 0,001 кг. |
| [ 'Sn: 62677-up ', 'scc: c2 '] | ||||
| 21 | 708-2G-15240 | [1] | Подключите Komatsu | 0,08 кг. |
| [ 'Sn: 62677-up ', 'scc: c2 '] | ||||
| 22 | 07000-B2012 | [1] | Уплотнительное кольцо Комацу Китай | 0,001 кг. |
| [ 'Sn: 62677-up ', 'scc: c2 '] | ||||
| 23 | 07000-B2050 | [1] | Уплотнительное кольцо Комацу | 0,002 кг. |
| [ 'Sn: 62677-up ', 'scc: c2 '] | ||||
| 24 | 708-2G-15310 | [1] | Кольцо, резервный комацу | 0,001 кг. |
| [ 'Sn: 62677-up ', 'scc: c2 '] | ||||
| 25 | 708-2G-14190 | [1] | Покрыть Komatsu China | |
| [ 'Sn: 62677-up ', 'scc: c2 '] | ||||
| 26 | 01580-10806 | [1] | Ореховый комацу | 0,005 кг. |
| [ 'Sn: 62677-up ', 'scc: c2 '] аналоги: [ '801920104 '] | ||||
| 27 | 708-2L-35290 | [1] | Ореховый комацу | 0,12 кг. |
| [ 'Sn: 62677-up ', 'scc: c2 '] | ||||
| 28 | 708-2G-15330 | [1] | Кольцо, носите комацу | 0,005 кг. |
| [ 'Sn: 62677-up ', 'scc: c2 '] | ||||
| 29 | 01252-61645 | [4] | Болт, шестигранная гнезда головка Комацу | 0,119 кг. |
| [ 'Sn: 62677-up ', 'scc: c2 '] | ||||
| Поступок | ЧАСТЬ НЕТ | QUTY | Имя детали | Комментарии |
|---|---|---|---|---|
| 708-2G-00150 | [1] | Насосная сборка Komatsu China | ||
| [ 'Sn: 62677-up '] | $ 0. | ||||
| 708-2G-01150 | [1] | Насосной подмазор komatsu China | ||
| [ 'Sn: 62677-up ', 'scc: c2 '] | $ 1. | ||||
| 708-2G-03480 | [1] | Крышка сборки Комацу | 2,01 кг. | |
| [ 'SN: 62677-Up ', 'SCC: C2 '] Аналоги: [ '7082G03430 '] | $ 2. | ||||
| 1 | 708-2G-14310 | [1] | Винт Комацу | 0,54 кг. |
| [ 'Sn: 62677-up ', 'scc: c2 '] | ||||
| 2 | 07000-B3038 | [1] | Уплотнительное кольцо Комацу | 0,002 кг. |
| [ 'Sn: 62677-up ', 'scc: c2 '] | ||||
| 3 | 708-2G-15230 | [1] | Кольцо, резервный комацу | 0,001 кг. |
| [ 'Sn: 62677-up ', 'scc: c2 '] | ||||
| 4 | 708-2L-35290 | [1] | Ореховый комацу | 0,12 кг. |
| [ 'Sn: 62677-up ', 'scc: c2 '] | ||||
| 5 | 708-2G-14170 | [1] | Покрыть комацу | 1,5 кг. |
| [ 'Sn: 62677-up ', 'scc: c2 '] | ||||
| 6 | 07000-B2050 | [1] | Уплотнительное кольцо Комацу | 0,002 кг. |
| [ 'Sn: 62677-up ', 'scc: c2 '] | ||||
| 7 | 708-2G-15310 | [1] | Кольцо, резервный комацу | 0,001 кг. |
| [ 'Sn: 62677-up ', 'scc: c2 '] | ||||
| 8 | 01252-61645 | [4] | Болт, шестигранная гнезда головка Комацу | 0,119 кг. |
| [ 'Sn: 62677-up ', 'scc: c2 '] | ||||
| Поступок | ЧАСТЬ НЕТ | QUTY | Имя детали | Комментарии |
|---|---|---|---|---|
| 708-2G-00150 | [1] | Насосная сборка Komatsu China | ||
| [ 'Sn: 62677-up '] | $ 0. | ||||
| 708-2G-01150 | [1] | Насосной подмазор komatsu China | ||
| [ 'Sn: 62677-up ', 'scc: c2 '] | $ 1. | ||||
| 708-2G-04252 | [1] | Сборка корпуса Комацу | 39,4 кг. | |
| [ 'SN: 62677-Up ', 'SCC: C2 '] Аналоги: [ '7082G04251 ', '7082G04250 '] | $ 2. | ||||
| 3 | 07044-12412 | [1] | Подключите Komatsu | 0,09 кг. |
| [ 'Sn: 62677-up '] аналоги: [ '0704402412 ', 'r0704412412 '] | ||||
| 4 | 07002-62434 | [1] | Уплотнительное кольцо Комацу | 0,001 кг. |
| [ 'SN: 62677-UP '] Аналоги: [ '7081W28910 '] | ||||
| 5 | 20B-27-11210 | [1] | Bleeder Komatsu | 0,02 кг. |
| [ 'Sn: 62677-up '] | ||||
| 6 | 708-1L-29340 | [2] | Отверстие комацу | 0,001 кг. |
| [ 'Sn: 62677-up ', 'scc: c2 '] | ||||
| 7 | 04530-01222 | [1] | Болт, глаз Komatsu China | |
| [ 'SN: 62677-Up '] Аналоги: [ 'N291222 ', '1306091340 '] | ||||
| 8 | 708-8E-16150 | [4] | Подключите Komatsu | 0,02 кг. |
| [ 'Sn: 62677-up '] | ||||
| 9 | 07002-61023 | [4] | Уплотнительное кольцо Комацу | 0,22 кг. |
| [ 'SN: 62677-Up '] Аналоги: [ '7082L23920 '] | ||||
| 10 | 07040-12414 | [1] | Подключите Komatsu | 0,092 кг. |
| [ 'SN: 62677-Up '] Аналоги: [ '0704002412 ', '0704012412 '] | ||||
| Поступок | ЧАСТЬ НЕТ | QUTY | Имя детали | Комментарии |
|---|---|---|---|---|
| 708-2G-00150 | [1] | Насосная сборка Komatsu China | ||
| [ 'Sn: 62677-up '] | $ 0. | ||||
| 708-2G-01150 | [1] | Насосной подмазор komatsu China | ||
| [ 'Sn: 62677-up ', 'scc: c2 '] | $ 1. | ||||
| 1 | 708-2G-12650 | [1] | Шал Комацу Китай | |
| [ 'Sn: 62677-up ', 'scc: c2 '] | ||||
| 2 | 708-2G-12251 | [1] | Несущий Komatsu China | 0,875 кг. |
| [ 'Sn: 62677-up ', 'scc: c2 '] аналоги: [ '7082g12252 '] | ||||
| 3 | 708-2G-05010 | [1] | Стиральная комплекта Комацу | 0,75 кг. |
| [ 'Sn: 62677-up ', 'scc: c2 '] | ||||
| 4 | 708-1F-12270 | [1] | Кольцо, Snap Komatsu | 0,014 кг. |
| [ 'Sn: 62677-up ', 'scc: c2 '] | ||||
| 708-2G-04720 | [1] | Блок сборка Komatsu China | ||
| [ 'Sn: 62677-up ', 'scc: c2 '] | $ 9. | ||||
| 7 | 708-18-13230 | [1] | Приколоть комацу | 0,01 кг. |
| [ 'Sn: 62677-up ', 'scc: c2 '] | ||||
| 8 | 04065-05520 | [1] | Кольцо, Snap Komatsu | 0,01 кг. |
| [ 'Sn: 62677-up ', 'scc: c2 '] | ||||
| 9 | 708-2G-13131 | [1] | Сиденье Комацу | 0,1 кг. |
| [ 'Sn: 62677-up ', 'scc: c2 '] | ||||
| 10 | 708-2G-13152 | [1] | Весна Комацу | 0,2 кг. |
| [ 'Sn: 62677-up ', 'scc: c2 '] | ||||
| 11 | 708-2G-13141 | [1] | Сиденье Комацу | 0,02 кг. |
| [ 'Sn: 62677-up ', 'scc: c2 '] | ||||
| 12 | 708-2G-13510 | [1] | Гид, фиксатор Komatsu OEM | 0,21 кг. |
| [ 'Sn: 62677-up ', 'scc: c2 '] | ||||
| 13 | 708-2H-23360 | [3] | Приколоть комацу | 0,006 кг. |
| [ 'Sn: 62677-up ', 'scc: c2 '] | ||||
| 14 | 708-2G-13341 | [1] | Удерживающий, обувь Комацу OEM | 0,39 кг. |
| [ 'Sn: 62677-up ', 'scc: c2 '] | ||||
| 15 | 708-2G-13810 | [9] | Поршневая подмазора Komatsu China | |
| [ 'Sn: 62677-up ', 'scc: c2 '] | ||||
| 708-2G-04670 | [1] | Колыбельная подборка Комацу | 0,000 кг. | |
| [ 'Sn: 62677-up ', 'scc: c2 '] | $ 21. | ||||
| 18 | 04020-01434 | [1] | Булавка, дюбель Комацу | 0,044 кг. |
| [ 'Sn: 62677-up ', 'scc: c2 '] | ||||
| 19 | 07000-B1009 | [1] | Уплотнительное кольцо Комацу Китай | 0,001 кг. |
| [ 'Sn: 62677-up ', 'scc: c2 '] аналоги: [ '7082l23910 '] | ||||
| 20 | 01252-61230 | [6] | Болт, шестигранная гнезда головка Комацу | 0,044 кг. |
| [ 'Sn: 62677-up ', 'scc: c2 '] | ||||
| Поступок | ЧАСТЬ НЕТ | QUTY | Имя детали | Комментарии |
|---|---|---|---|---|
| 708-2G-00150 | [1] | Насосная сборка Komatsu China | ||
| [ 'Sn: 62677-up '] | $ 0. | ||||
| 708-2G-01150 | [1] | Насосной подмазор komatsu China | ||
| [ 'Sn: 62677-up ', 'scc: c2 '] | $ 1. | ||||
| 1 | 708-2G-14120 | [1] | Слайдер Комацу | 0,365 кг. |
| [ 'Sn: 62677-up ', 'scc: c2 '] | ||||
| 1 | 708-2G-03640 | [1] | Ассамблея клапана Komatsu China | |
| [ 'Sn: 62677-up ', 'scc: c2 '] | ||||
| 1 | 708-2G-03650 | [1] | Поршневая сборка Komatsu China | |
| [ 'Sn: 62677-up ', 'scc: c2 '] | ||||
| 6 | 708-2L-35760 | [1] | Ball Komatsu | 0,001 кг. |
| [ 'Sn: 62677-up ', 'scc: c2 '] | ||||
| 7 | 708-2L-35770 | [1] | Подключите Komatsu | 0,005 кг. |
| [ 'Sn: 62677-up ', 'scc: c2 '] | ||||
| 9 | 708-2L-35170 | [1] | Приколоть комацу | 0,01 кг. |
| [ 'Sn: 62677-up ', 'scc: c2 '] | ||||
| 10 | 708-2G-15211 | [1] | Spool Komatsu | 0,03 кг. |
| [ 'Sn: 62677-up ', 'scc: c2 '] | ||||
| 11 | 708-2G-15290 | [1] | Сдержан Комацу | 0,05 кг. |
| [ 'Sn: 62677-up ', 'scc: c2 '] | ||||
| 12 | 708-2G-15140 | [1] | Сиденье Комацу | 0,01 кг. |
| [ 'Sn: 62677-up ', 'scc: c2 '] | ||||
| 13 | 708-2G-15270 | [1] | Весна Комацу | 2,1 кг. |
| [ 'Sn: 62677-up ', 'scc: c2 '] | ||||
| 14 | 708-2G-15280 | [1] | Весна Комацу Китай | |
| [ 'Sn: 62677-up ', 'scc: c2 '] | ||||
| 15 | 708-2G-15151 | [1] | Сиденье Комацу | 0,01 кг. |
| [ 'Sn: 62677-up ', 'scc: c2 '] | ||||
| 16 | 708-2G-15250 | [1] | Весна Комацу | 0,01 кг. |
| [ 'Sn: 62677-up ', 'scc: c2 '] | ||||
| 17 | 708-2G-14340 | [1] | Винт Комацу | 0,622 кг. |
| [ 'Sn: 62677-up ', 'scc: c2 '] | ||||
| 18 | 07000-B3038 | [1] | Уплотнительное кольцо Комацу | 0,002 кг. |
| [ 'Sn: 62677-up ', 'scc: c2 '] | ||||
| 19 | 708-2G-15230 | [1] | Кольцо, резервный комацу | 0,001 кг. |
| [ 'Sn: 62677-up ', 'scc: c2 '] | ||||
| 21 | 708-2G-15240 | [1] | Подключите Komatsu | 0,08 кг. |
| [ 'Sn: 62677-up ', 'scc: c2 '] | ||||
| 22 | 07000-B2012 | [1] | Уплотнительное кольцо Комацу Китай | 0,001 кг. |
| [ 'Sn: 62677-up ', 'scc: c2 '] | ||||
| 23 | 07000-B2050 | [1] | Уплотнительное кольцо Комацу | 0,002 кг. |
| [ 'Sn: 62677-up ', 'scc: c2 '] | ||||
| 24 | 708-2G-15310 | [1] | Кольцо, резервный комацу | 0,001 кг. |
| [ 'Sn: 62677-up ', 'scc: c2 '] | ||||
| 25 | 708-2G-14190 | [1] | Покрыть Komatsu China | |
| [ 'Sn: 62677-up ', 'scc: c2 '] | ||||
| 26 | 01580-10806 | [1] | Ореховый комацу | 0,005 кг. |
| [ 'Sn: 62677-up ', 'scc: c2 '] аналоги: [ '801920104 '] | ||||
| 27 | 708-2L-35290 | [1] | Ореховый комацу | 0,12 кг. |
| [ 'Sn: 62677-up ', 'scc: c2 '] | ||||
| 28 | 708-2G-15330 | [1] | Кольцо, носите комацу | 0,005 кг. |
| [ 'Sn: 62677-up ', 'scc: c2 '] | ||||
| 29 | 01252-61645 | [4] | Болт, шестигранная гнезда головка Комацу | 0,119 кг. |
| [ 'Sn: 62677-up ', 'scc: c2 '] | ||||
| Поступок | ЧАСТЬ НЕТ | QUTY | Имя детали | Комментарии |
|---|---|---|---|---|
| 708-2G-00150 | [1] | Насосная сборка Komatsu China | ||
| [ 'Sn: 62677-up '] | $ 0. | ||||
| 708-2G-01150 | [1] | Насосной подмазор komatsu China | ||
| [ 'Sn: 62677-up ', 'scc: c2 '] | $ 1. | ||||
| 708-2G-03480 | [1] | Крышка сборки Комацу | 2,01 кг. | |
| [ 'SN: 62677-Up ', 'SCC: C2 '] Аналоги: [ '7082G03430 '] | $ 2. | ||||
| 1 | 708-2G-14310 | [1] | Винт Комацу | 0,54 кг. |
| [ 'Sn: 62677-up ', 'scc: c2 '] | ||||
| 2 | 07000-B3038 | [1] | Уплотнительное кольцо Комацу | 0,002 кг. |
| [ 'Sn: 62677-up ', 'scc: c2 '] | ||||
| 3 | 708-2G-15230 | [1] | Кольцо, резервный комацу | 0,001 кг. |
| [ 'Sn: 62677-up ', 'scc: c2 '] | ||||
| 4 | 708-2L-35290 | [1] | Ореховый комацу | 0,12 кг. |
| [ 'Sn: 62677-up ', 'scc: c2 '] | ||||
| 5 | 708-2G-14170 | [1] | Покрыть комацу | 1,5 кг. |
| [ 'Sn: 62677-up ', 'scc: c2 '] | ||||
| 6 | 07000-B2050 | [1] | Уплотнительное кольцо Комацу | 0,002 кг. |
| [ 'Sn: 62677-up ', 'scc: c2 '] | ||||
| 7 | 708-2G-15310 | [1] | Кольцо, резервный комацу | 0,001 кг. |
| [ 'Sn: 62677-up ', 'scc: c2 '] | ||||
| 8 | 01252-61645 | [4] | Болт, шестигранная гнезда головка Комацу | 0,119 кг. |
| [ 'Sn: 62677-up ', 'scc: c2 '] | ||||
| Поступок | ЧАСТЬ НЕТ | QUTY | Имя детали | Комментарии |
|---|---|---|---|---|
| 708-2G-00150 | [1] | Насосная сборка Komatsu China | ||
| [ 'Sn: 62677-up '] | $ 0. | ||||
| 708-2G-01150 | [1] | Насосной подмазор komatsu China | ||
| [ 'Sn: 62677-up ', 'scc: c2 '] | $ 1. | ||||
| 1 | 708-2G-12340 | [1] | Связывание комацу | 0,37 кг. |
| [ 'Sn: 62677-up ', 'scc: c2 '] | ||||
| 2 | 708-2F-12420 | [1] | Кольцо Комацу | 0,005 кг. |
| [ 'Sn: 62677-up ', 'scc: c2 '] | ||||
| 3 | 708-2H-21860 | [1] | Пластина Комацу | 0,04 кг. |
| [ 'Sn: 62677-up ', 'scc: c2 '] | ||||
| 708-2G-04730 | [1] | Gear Kit Komatsu China | ||
| [ 'Sn: 62677-up ', 'scc: c2 '] | $ 5. | ||||
| 6 | 708-2H-32320 | [1] | Втулка Комацу | 0,000 кг. |
| [ 'Sn: 62677-up ', 'scc: c2 '] | ||||
| 7 | 708-2H-32330 | [1] | Работочнее Комацу | 0,000 кг. |
| [ 'Sn: 62677-up ', 'scc: c2 '] | ||||
| 8 | 01010-61220 | [2] | Болт Комацу | 0,035 кг. |
| [ 'Sn: 62677-up ', 'scc: c2 '] аналоги: [ '0101031220 ', '01010e1220 '] | ||||
| 9 | 708-2H-32350 | [2] | Стиральная машина Комацу | 0,000 кг. |
| [ 'Sn: 62677-up ', 'scc: c2 '] | ||||
| 10 | 708-2H-32360 | [1] | Шал Комацу | 0,000 кг. |
| [ 'Sn: 62677-up ', 'scc: c2 '] | ||||
| 11 | 708-2G-11910 | [1] | Покрыть Komatsu China | |
| [ 'Sn: 62677-up ', 'scc: c2 '] | ||||
| 12 | 07000-A2105 | [1] | Уплотнительное кольцо Комацу | 0,003 кг. |
| [ 'Sn: 62677-up ', 'scc: c2 '] | ||||
| 13 | 708-2G-05020 | [1] | Shim Kit Komatsu China | |
| [ 'Sn: 62677-up ', 'scc: c2 '] | ||||
| 14 | 01010-81235 | [2] | Болт Комацу | 0,048 кг. |
| [ 'Sn: 62677-up '] Аналоги: [ '0101051235 ', '01010E1235 ', '801015136 '] | ||||
| 15 | 01643-31232 | [2] | Стиральная машина Комацу | 0,027 кг. |
| [ 'SN: 62677-UP '] Аналоги: [ '0164371232 ', '0164381232 ', '802170003 ', 'R0164331232 ', '0614331232 '] | ||||
| Поступок | ЧАСТЬ НЕТ | QUTY | Имя детали | Комментарии |
|---|---|---|---|---|
| 708-2G-00150 | [1] | Насосная сборка Komatsu China | ||
| [ 'Sn: 62677-up '] | $ 0. | ||||
| 708-2G-03720 | [1] | Ассамблея клапана Komatsu China | ||
| [ 'Sn: 62677-up '] | $ 1. | ||||
| 3 | 708-2J-15310 | [1] | Spool Komatsu China | |
| [ 'Sn: 62677-up ', 'scc: c2 '] | ||||
| 4 | 708-2L-28540 | [1] | Поршень комацу | 0,01 кг. |
| [ 'Sn: 62677-up ', 'scc: c2 '] | ||||
| 5 | 708-2L-35360 | [1] | Рукав комацу | 0,04 кг. |
| [ 'Sn: 62677-up ', 'scc: c2 '] | ||||
| 6 | 708-2L-35331 | [1] | Сиденье Комацу | 0,01 кг. |
| [ 'Sn: 62677-up ', 'scc: c2 '] | ||||
| 7 | 708-2L-35410 | [1] | Весна Комацу | 0,01 кг. |
| [ 'Sn: 62677-up ', 'scc: c2 '] | ||||
| 8 | 708-2L-35341 | [1] | Сиденье Комацу | 0,001 кг. |
| [ 'Sn: 62677-up ', 'scc: c2 '] | ||||
| 9 | 708-2L-35351 | [1] | Подключите Komatsu | 0,04 кг. |
| [ 'Sn: 62677-up ', 'scc: c2 '] | ||||
| 10 | 07000-B1009 | [1] | Уплотнительное кольцо Комацу Китай | 0,001 кг. |
| [ 'Sn: 62677-up ', 'scc: c2 '] аналоги: [ '7082l23910 '] | ||||
| 11 | 07001-01009 | [1] | Кольцо, резервный комацу | 0,001 кг. |
| [ 'Sn: 62677-up ', 'scc: c2 '] | ||||
| 12 | 01583-11408 | [1] | Ореховый комацу | 0,4 кг. |
| [ 'SN: 62677-Up ', 'SCC: C2 '] Аналоги: [ '801713411 '] | ||||
| 13 | 07002-62434 | [1] | Уплотнительное кольцо Комацу | 0,001 кг. |
| [ 'SN: 62677-UP '] Аналоги: [ '7081W28910 '] | ||||
| 13 | 708-2G-03920 | [1] | Ассамблея клапана Komatsu China | |
| [ 'Sn: 62677-up '] | ||||
| 19 | 708-2G-15420 | [1] | Сиденья Komatsu China | |
| [ 'Sn: 62677-up ', 'scc: c2 '] | ||||

| Поступок | ЧАСТЬ НЕТ | QUTY | Имя детали | Комментарии |
|---|---|---|---|---|
| 708-2G-00150 | [1] | Насосная сборка Komatsu China | ||
| [ 'Sn: 62677-up '] | $ 0. | ||||
| 1 | 702-21-57400 | [1] | Клапан, пилот komatsu OEM | 0,442 кг. |
| [ 'SN: 62677-Up '] Аналоги: [ '7022155901 '] | ||||
| 2 | 723-11-19960 | [1] | Уплотнительное кольцо Комацу | 0,001 кг. |
| [ 'Sn: 62677-up '] | ||||
| 3 | 702-21-54910 | [2] | Уплотнительное кольцо Комацу | 0,001 кг. |
| [ 'Sn: 62677-up '] | ||||
| 4 | 01252-60635 | [2] | Болт, шестигранная гнезда головка Комацу | 0,011 кг. |
| [ 'Sn: 62677-up '] | ||||
| 5 | 20y-62-22790 | [1] | Полоса, красный комацу | 0,001 кг. |
| [ 'Sn: 62677-up '] | ||||
| 6 | 702-21-57500 | [1] | Клапан, пилот komatsu OEM | 0,5 кг. |
| [ 'SN: 62677-Up '] Аналоги: [ '7022155701 ', '7022155700 '] | ||||
| 9 | 702-16-55260 | [2] | Болт Комацу | 0,02 кг. |
| [ 'Sn: 62677-up '] | ||||
| 10 | 20y-62-22830 | [1] | Полоса, белый комацу | 0,001 кг. |
| [ 'Sn: 62677-up '] | ||||
| 10 | 702-21-56600 | [1] | Клапан сборка Комацу | 0,552 кг. |
| [ 'Sn: 62677-up '] | ||||
| 11 | 702-21-55920 | [1] | Подключите Komatsu China | |
| [ 'Sn: 62677-up '] | ||||
| 12 | 702-21-55930 | [1] | Поршень Комацу Китай | |
| [ 'Sn: 62677-up '] | ||||
| 13 | 702-21-56610 | [1] | Весна Комацу Китай | |
| [ 'Sn: 62677-up '] | ||||
| 14 | 702-21-55951 | [1] | Блок Komatsu China | |
| [ 'SN: 62677-Up '] Аналоги: [ '7022155950 '] | ||||
| 15 | 07002-12034 | [1] | Уплотнительное кольцо Комацу Китай | 0,94 кг. |
| [ 'Sn: 62677-up '] аналоги: [ '0700002034 ', '0700202034 ', '0700012034 '] | ||||
| 16 | 07000-11008 | [2] | Уплотнительное кольцо Комацу Китай | 0,01 кг. |
| [ 'Sn: 62677-up '] аналоги: [ '0700001008 ', '2016018950 '] | ||||
| 17 | 722-12-18240 | [1] | Уплотнительное кольцо Комацу | 0,001 кг. |
| [ 'Sn: 62677-up '] | ||||
| 18 | 01252-60530 | [1] | Болт, шестигранная гнезда головка Комацу | 0,006 кг. |
| [ 'Sn: 62677-up '] | ||||
| 19 | 708-2G-15680 | [2] | Подключите Komatsu China | |
| [ 'Sn: 62677-up '] | ||||
| 20 | 07000-B1008 | [2] | Уплотнительное кольцо Комацу | 0,001 кг. |
| [ 'Sn: 62677-up '] | ||||
| 21 | 07001-01008 | [4] | Кольцо, резервный комацу | 0,001 кг. |
| [ 'Sn: 62677-up '] | ||||
| 22 | 07002-61423 | [2] | Уплотнительное кольцо Комацу | 0,001 кг. |
| [ 'SN: 62677-Up '] Аналоги: [ '7082L23950 '] | ||||
| 23 | 01643-31232 | [3] | Стиральная машина Комацу | 0,027 кг. |
| [ 'SN: 62677-UP '] Аналоги: [ '0164371232 ', '0164381232 ', '802170003 ', 'R0164331232 ', '0614331232 '] | ||||
| 24 | 01010-81220 | [2] | Болт Комацу | 0,032 кг. |
| [ 'SN: 62677-Up '] Аналоги: [ '0101051220 '] | ||||
| 25 | 08193-21012 | [2] | Клип Комацу | 0,011 кг. |
| [ 'Sn: 62677-up '] | ||||
| 26 | 708-2G-19130 | [1] | Спейсер Komatsu China | |
| [ 'Sn: 62677-up '] | ||||
| 27 | 01010-81235 | [1] | Болт Комацу | 0,048 кг. |
| [ 'Sn: 62677-up '] Аналоги: [ '0101051235 ', '01010E1235 ', '801015136 '] | ||||
| 28 | 04434-50612 | [1] | Клип Комацу | 0,01 кг. |
| [ 'Sn: 62677-up '] | ||||